benchong002 2014/11/01 12:49:46 发表在 104楼
楼主,你是干汽修的吗
绝对不是,嘿嘿呵呵!一模一样的问题有,4S店要¥300才解决问题。我直接走人了。太感谢楼主解决问题了。
我的后备箱能开,但是灯不亮了,没烧,测得无电到,看来差不多是你这个问题了。改天拆来看看。或者是不是没有输出了呢??


小心灌水 2014-9-19 23:13:38 发表在 主楼
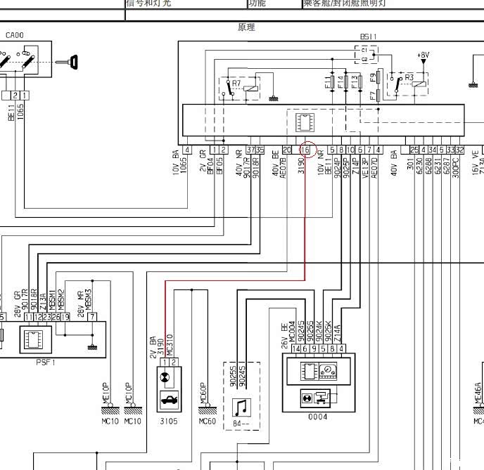
一个月前后备箱照明灯突然不亮了,自己把灯泡换掉不行、甚至于换掉了灯座也同样没恢复。前几天后备箱开启功能突然丧失,每次需要打开后备箱都得放下后座靠背钻进去撬紧急开锁孔。在世嘉电气线路图中,查找到关于全车照明、开关电路图,发现锁块控制和照明灯属于一套关联电路。见下图中红框内线路。
在拆掉车内后座装饰板查线没有发现任何问题后(没照片,拆卸难度不大)开始拆下后备箱内衬板准备对其故障查找原因。
锁块的拆卸。把箭头处的插头取掉并拆掉圆圈内2颗螺丝即可,注意推出锁块时压住锁块2边的定位小压块。
后备箱开关板的拆除。取下插头,用小活动扳手取下2颗螺帽。同样推出开关时注意压住箭头处2个卡位卡子。
拆下来...
游客
扫码下载
汽车之家APP
随时获取
最新汽车资讯