hu_sairong 2012-11-22 19:34:08 发表在 主楼
大家都知道,君威有个问题挺烦人,通用其他车型好像也有类似问题,太阳稍微小点或阴天自动大灯就会亮,原因是君威低配版的亮度传感器是在中控台那个位置,突出那个圆头锁车时还会闪红灯的那个,如果前挡贴膜就会影响到感应器灵敏度,天还没黑就亮大灯,这个问题也困扰我很长时间,昨天我特意为这个去4s请求处理被告知无法处理,一气之下回来之后我下决心自己解决这个问题,因为我自己是做电子产品研发主管,北航自动化专业研究生毕业,我对自己的技术非常有信心,我就不信这个问题能难到我,经过昨天和今天的紧张分析和测试,我目前基本上解决了这个问题,整个过程比我想象的复杂一些,亮度传感器拆下来后发现里面电路板是粘住的,开始我想在...
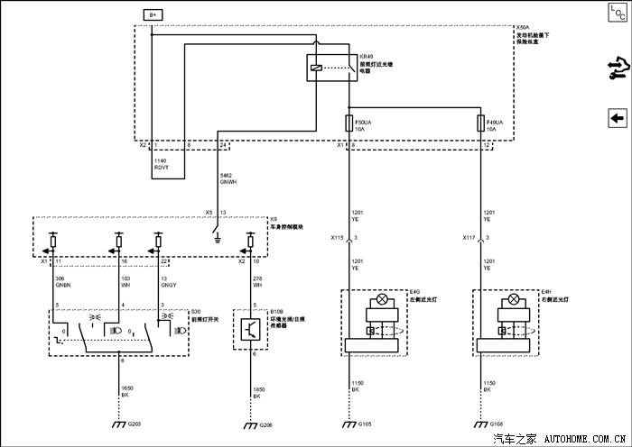
高手啊,牛人,楼主我提供你电路图
我的君威是旗舰版的,你的问题,我都有,自动大灯确实有点不好用,自动雨刷就好用多了
hu_sairong 2012-11-22 19:34:08 发表在 主楼
大家都知道,君威有个问题挺烦人,通用其他车型好像也有类似问题,太阳稍微小点或阴天自动大灯就会亮,原因是君威低配版的亮度传感器是在中控台那个位置,突出那个圆头锁车时还会闪红灯的那个,如果前挡贴膜就会影响到感应器灵敏度,天还没黑就亮大灯,这个问题也困扰我很长时间,昨天我特意为这个去4s请求处理被告知无法处理,一气之下回来之后我下决心自己解决这个问题,因为我自己是做电子产品研发主管,北航自动化专业研究生毕业,我对自己的技术非常有信心,我就不信这个问题能难到我,经过昨天和今天的紧张分析和测试,我目前基本上解决了这个问题,整个过程比我想象的复杂一些,亮度传感器拆下来后发现里面电路板是粘住的,开始我想在...
游客
扫码下载
汽车之家APP
随时获取
最新汽车资讯