amphibia 2017/07/31 17:28:50 发表在 14楼
按照丰田LC200设计师说法,LC200的设计阶段,考虑过做成承载式车身。但是丰田论证后结论是如果车身做成承载式而且要同样耐操强度,承载式车身要加装大量补强梁,最终是没有重量节省而这种设计缺点在于悬挂塔顶直接装在车身上,震动直接传到车身,而且几年颠簸下来,车体容易金属疲劳和异响。而不像2段式非承载车身的16个大梁胶缓冲隔绝。后者舒适性是难以超越的。说到这里,我没有贬低GLS揽胜的综合性能。但是根据我多年驾驶经验,就过滤路面凹凸来讲,2段式大梁 16颗大梁胶 非承载式车身的结构,绝对是优于承载式一体车身。另外大梁胶作为耗件,每4-6年更换一次(普拉多2500元,LX570 3000元),车身又恢...
amphibia 2017/09/04 07:35:24 发表在 207楼
没有故障码,神仙也没法诊断。另外警告信号也分很多档。重要的都会亮故障灯。10万公里了,我建议你把两个后避震筒也换了。不贵。另外买3筒2.5升装AHC液压油和一个200毫升喂猪的注射器和软管。旧油从储液罐抽出,置换2次。储液罐在乘客一侧的右后轮轮眉后方,有一个小塑料板子打开就见到了。更换完任何避震筒,第一张图的四个圆柱形位置附近就有排空螺栓。你一定要盯着4S弄排空。我猜他们不一定知道或者懒得弄。先点着火,把车子升到H,然后熄火。拧开排空,重力就会把对应的轮子压下来,油被压出,让轮子尽可能下降,但是还没到最低位就要拧上排空螺丝以免进气。每个轮子弄2次。
憨人jassaq 2017/09/04 01:02:19 发表在 202楼
你好 我的13款570 到现在11万公里了 出保修前免费更换了方向机和两个前减震(有渗油)。前些天去了黄河源和哈拉湖无人区 ,还有一段沙漠路段穿越,出来无人区有信号后接到Gbook通知说悬挂系统警告 但是当时我没有看到任何故障灯 车辆也一切正常 表现非常好。这次十月份准备去藏北羌塘无人区 其中无人区穿越路段保守1000多公里 ,去检查车辆时 一个很有经验的老师傅说了这车的悬挂结构 说液压油泵有可能是个故障点,但是又说我的车年限不长 问题不大。我想再跟你求证一下 那个液压油泵是损耗件还是可维护的?损坏的可能主要是哪方面原因?能否通过驾驶方式避免? 感谢




amphibia 2017/09/04 06:54:48 发表在 205楼
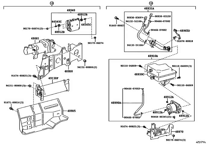
你自己马云家买一个OBDII检测线加techstream软件。搜索关键词techstream。大概68那一款。然后下载软件安装到一个windows xp的电脑上,自己读一读故障码。截图发给我。我帮你看看。我把液压悬挂的零件图发给你看看,你知道这个师傅说故障的是哪一个吗?第一个图是四个圆柱形是是阀(提供AHC高度控制),蘑菇型是高压氮气包(提供AVS软硬调节)第二张图左边是液压泵,右边是液压油储液壶第三张图是液压管线与避震筒的连线图,包括一些小卡笋件。第四张图是四个角落的AHC高度传感器从这几张图,不难看出,LX570悬挂哪里故障更换哪里,这件事不难。但是想把低配陆巡或者配KDSS的陆巡改成AH...

游客
扫码下载
汽车之家APP
随时获取
最新汽车资讯