我加装那台功放(阿尔派)也是我去废品站找二手马达时无意中发现以几十块钱当铝买回来的可是烧坏了

(作逆变电源用的场效应管,整流的硅堆和供前置的稳压管几样东西坏掉)自己买材料才二十来块就修好
(这经历让兄弟见笑了
)
步骤一,二,三.....(我早看过以前老兄和另外的戈友讨论过,自己也以失败告终)
我是电脑初哥
请多多指教



一个字“强”!
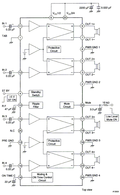
不过SANYO的LA4743B和TDA7850、7560管脚定义好象有点不一样啊,能替换
还靠老兄出来解答,LA4743B這個功率IC出力还蛮大的45W*4,如果把电容換大的话峰值还可硬到70W*4,比较太恐怖


游客
扫码下载
汽车之家APP
随时获取
最新汽车资讯