汽车之家
搜索
历史搜索
清空
找论坛
最近浏览
退出登录
网站导航
文章
评测
车家号
视频
直播
车型对比
图片
报价
车商城
降价
经销商
二手车
金融
论坛
精选
口碑
用车
更多
移动App
触屏版
小程序
i车商
二手车之家
商家后台
设置
版务办公室
版主资料
请假系统
管理后台
中管后台
锐际论坛
品牌论坛
口碑
问大家
论坛精选
锐际论坛
>
加装方向盘加热及拨片
0
38
快速回复
发布
发帖
提问
热门
加装方向盘加热及拨片
1
38
发布于
江苏
2023-08-08 09:14:32
只看楼主
热门标准
点击查看热门标准,热门算法维度通过账号健康度、浏览、评论、点赞、收藏、转发、反作弊等进行综合评判
修改帖子
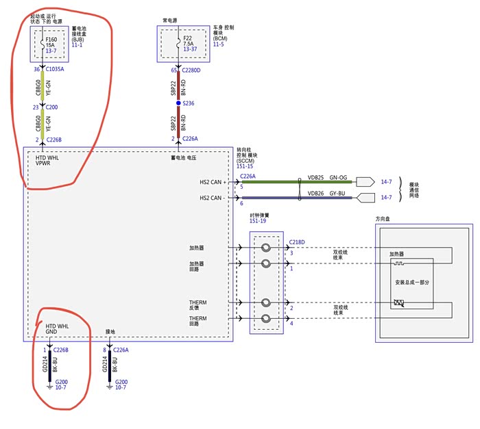
提车第一年就想要装的,奈何平底加热盘子货太少,本来想订货的,但订货只有方向盘总成没有裸盘子,价钱又太高了,一直拖到现在,加热游丝都买了一年多了,裸盘子才买到。所以一共耗时一年多
锐际原厂带加热方向盘,这个平底方向盘货太少,圆盘带加热的倒是很多,但是又不喜欢圆形的。
低配游丝没有加热针脚,换上高配带加热游丝
方向盘订货只有总成卖,价格太高了,所以就从配件贩子手里买的裸盘子。原厂全新拨片安排上。
这种林肯拨片和福特通用,比原车的长一点,看着比较帅。
盘子和游丝齐了就准备开始补线,查电路图可以看到原厂是接到机舱保险丝供电的,并且是ACC电源,车内走到机舱有点麻烦,索性就接到车内保险丝了。
查车主说明书可以看到,车内保险丝有两个是备用的,用试电笔测了一下,15和16是acc电源,24是常电源。有加装行车记录仪的车友要注意了,不要接错了,接到acc就没发停车监控了。
顺便说一下,保险丝是分方向的,如果方向错了,电就不经过保险丝直通了,功率过大可能会烧坏供电模块而不是保险丝。
全部装好之后,刷机开通就可以用了。方向盘加热要启动车辆才能打开。
拨片老早就装了,换新盘子再测试下也是完美工作。
之前装拨片是原车低配盘子挖孔装的,换了加热盘子,原车盘子也可以退休了。
最后说下关于有车友说,加装了方向盘加热会漏电的情况,目前我装了半个月还没出现漏电的情况,中间也停了两天没开车。我分析可能游丝有问题,或者刷机不对,也有可能是接线不对。
装饰美容
最后编辑于
2023-08-08 09:21:46
很抱歉,该主帖尚未满足精华帖15张图片要求,不能予以精华,更多精华标准
点击此处
查看
修改主帖
内容系网友发布,涉及安全和抄袭问题属于网友个人行为,不代表汽车之家观点,可联系客服删除。
举报
IP
回复
来自于
北京
2023-08-08 10:19:09
IP
沙发
南京人装什么方向盘加热啊,北京人开这车三年了,一共也没用过几次
回复
0
举报
#提车分享#2月分享提车作业,立即获得300元现金红包!
来自于
北京
2023-08-08 10:21:07
IP
板凳
这车应该有但没有的是座椅通风,不是方向盘加热。
回复
0
举报
来自于
云南
2023-08-09 21:35:00
IP
地板
买运动版顶配车啥都有了,何必多此一举呢?
回复
0
举报
来自于
上海
2023-08-10 22:47:00
IP
保险丝分方向?怎么区分正反
回复
0
举报
来自于
上海
2023-08-11 18:44:27
IP
动能力杠杠的
回复
0
举报
来自于
海南
2023-08-11 20:18:09
IP
分享车辆改装经验
回复
0
举报
来自于
河南
2023-08-12 17:06:24
IP
厉害啊👍
回复
0
举报
来自于
山东
2023-08-16 13:13:37
IP
换挡拨片好用吗,多少钱下来
回复
0
举报
来自于
广东
2023-09-06 09:12:35
IP
本楼已被删除
查看详情
我要申诉
来自于
福建
2023-09-06 11:25:20
IP
ye
回复
0
举报
来自于
福建
2023-09-06 17:15:57
IP
本楼已被删除
查看详情
我要申诉
来自于
福建
2023-09-06 19:57:54
IP
本楼已被删除
查看详情
我要申诉
来自于
福建
2023-09-07 08:40:22
IP
本楼已被删除
查看详情
我要申诉
来自于
福建
2023-09-07 11:31:01
IP
本楼已被删除
查看详情
我要申诉
来自于
福建
2023-09-07 15:31:40
IP
本楼已被删除
查看详情
我要申诉
来自于
福建
2023-09-07 19:33:14
IP
本楼已被删除
查看详情
我要申诉
来自于
福建
2023-09-08 08:32:17
IP
本楼已被删除
查看详情
我要申诉
来自于
广西
2023-09-08 10:25:55
IP
厉害啊👍 佩服
回复
0
举报
来自于
福建
2023-09-08 11:53:11
IP
本楼已被删除
查看详情
我要申诉
来自于
福建
2023-09-08 15:35:11
IP
本楼已被删除
查看详情
我要申诉
共2页
1
2
20条/页
前往
页
游客
更多>
精选帖子
凯迪拉克CT5提车分享
马自达EZ-6提车分享
智己LS9满配提车记
奥迪Q6L用车分享记
eπ008用车分享记
更多>
精选视频
02:16
雅马哈TRACER 7解析
12:05
湛江古城与晴天的大海
01:57
雷克萨斯GX 460养护
03:40
聊一聊二手RAV4荣放
17:43
海陵岛打卡邂逅蓝眼泪
确定屏蔽吗?
一旦屏蔽,他就失去了与你的一切联系,回帖和私信都找不到你,再想想。
确认屏蔽
取消
确定取消屏蔽吗?
恭喜你们化干戈为玉帛,让他能回到你的世界里,确定这么做么
解除屏蔽
取消
确定删除吗?
您确定要删除这条回复吗
确定
取消
是否将这个帖子
转为图文帖
?
确定
取消
扫码下载
汽车之家APP
随时获取
最新汽车资讯