软件资料下载
307 停产了,不需要提车帖了,也不需要黑车帖了,我们来交流学习养车、修车经验。
软件下载安装: Peugeot Service Box-DocBackup+SEDRE下载、安装、注册全功略***://www1.xcar.com.cn/bbs/viewthread.php?tid=30499091 感谢icbcodc xuser15962740
标致307维修和培训资料
***s://share.qclt.com/
***s://share.qclt.com/标致307维修和培训资料/
PDF版的电路图册
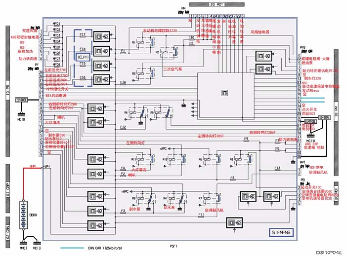
2009东风标致307-T6原厂电路图
***://www.doc88.com/p-6438636602188.html
08款东风标致307二厢2.0原厂电路图 ***s://wenku.baidu.com/view/e336708e951ea76e58fafab069dc5022abea4614.html
小嘴
东风标致307 1.6自动档VAN+CAN全车电路图
***s://www.docin.com/p-837208502.html
307查电路及汽车线束经验分享 实操看我另一个帖子
***://www.xcar.com.cn/bbs/viewthread.php?tid=90466207
软件使用
机械故障判断:看、听、开
电路故障判断:检测、跟踪、分析原理
有时电路故障比机械各隐蔽,不容易看出故障点,电气原理也比较复杂。需要详细的电路图才能准确判断故障位置。
软件BUG
该软件存在一些问题,有的图片无法显示。 xuser15962740大神在帖子里分析是系统自带的tomcat没有返回gzip头。用nginx代理,增加gzip头,chrome和firefox就能打开了。 后面又把jdk1.4的环境搭好写了个filter放到tomcat里面。对编程不太懂,我是拿来主义。xuser15962740太厉害了。
问题解决方案
xuser15962740大神已经给出了方案,经过试用,发现使用代理比较好,两种模式并存,使用jdk1.4的环境,相当要重启一次软件。
修改d:/Program Files/nginx-1.14.2/nginx.conf (/ 改为\ )配置文件,加入以下代码
location /Sdr {
proxy_pass ***://127.0.0.1:6092/Sdr;
sub_filter 'svg+xml' 'svg+xml';
}
location /Sdr/svgLoader {
proxy_pass ***://127.0.0.1:6092/Sdr/svgLoader;
add_header Content-Type 'text/html; charset=utf-8';
add_header Content-Encoding gzip;
}
以上代码可能会乱,以图片为准。
运行 nginx.exe 就可以正常工作了,可以做个快捷方式发送到桌面
谷歌浏览器、火狐浏览器打印不正常,是因为,打印代码错了,svg+xml 写成了svg+xml , 我加入了sub_filter 'svg+xml' 'svg+xml'; 语句,进行替换。浏览就正常了。
SEDRE 运行后,默认的地址是 ***://127.0.0.1:6092/Sdr/logon.jsp
使用代理 运行nginx 地址是 ***://127.0.0.1/Sdr/logon.jsp 差别只是端口号
两个地址同时工作,这边不得那边得。比JDK环境切换好。
nginx 运行后,要进行任务管理器才能关闭。
可以做批处理命令 killnginx.bat
@echo on
tasklist /fi "imagename eq nginx.exe"
taskkill /im nginx.exe /f
@cmd.exe
cmd
重启批处理命令 reload.bat
@echo on
nginx -s reload -c ./conf/nginx.conf
pause
不加gzip头,原来显示正常的部分,打印不能预览到图片,于是又增加一个代理 端口为60 ,只进行svg-xml替换,不加gzip头,在配置文件里增加一个完整的server
server {
listen 60;
server_name localhost;
#charset koi8-r;
#access_log logs/host.access.log main;
location /Sdr {
proxy_pass ***://127.0.0.1:6092/Sdr;
sub_filter 'svg+xml' 'svg+xml';
}
location /Sdr/svgLoader {
proxy_pass ***://127.0.0.1:6092/Sdr/svgLoader;
}
location / {
root html;
index index.html index.htm;
}
#error_page 404 /404.html;
# redirect server error pages to the static page /50x.html
#
error_page 500 502 503 504 /50x.html;
location = /50x.html {
root html;
}
}
SEDRE 运行后,默认的地址是 ***://127.0.0.1:6092/Sdr/logon.jsp
运行nginx
使用代理加gzip 地址是 ***://127.0.0.1/Sdr/logon.jsp
只替换svg+xml 地址是 ***://127.0.0.1:60/Sdr/logon.jsp
都能正常打印
打印电路图
谷歌浏览器、火狐浏览器打印不正常,是因为,打印代码错了,svg+xml 写成了svg+xml , 我加入了sub_filter 'svg+xml' 'svg+xml'; 语句,进行替换。浏览就正常了。
打印电路图,效果最差的是IE,生成的PDF图片,模糊,看不清, 火狐浏览器使用56版本,打印清晰度较高,最好的是欧朋浏览器和谷歌浏览器,生成的PDF图片,放大后很清楚。
解读电路图
从电气原理看 哪些保险是常电、开钥匙有电
常电:电瓶 -8V NR-2V GR 相连的几个保险都是常电 F11 诊断插座 F5 F6 车窗 F15 门锁 F17 后窗加热
开锁匙有电:F7 车内灯阅读灯 F9点烟器
智能电: 由BSI控制 开遥控有电, 锁门延时关电 F12 雷达 F13 雨感、发动机 F14组合仪表 空调 锁车后还能看里程表,风扇还转 就是它起作用
待机电 :F8 收音机 C屏 遥控 com2000 F10 变速箱。SH保险接在客户模式,就是常电,接在库存模式,BSI休眠后,无电,收音机不能记忆、遥控等不起作用,长期不用车,建议使用库存模式。
有的电源还受+8V (+ACC)电源控制和BSI控制,经济模式或电瓶电压低,不工作,无电,如点烟器、车窗后加热
法系车进入潜伏状态,懂得机械和电气原理的人,法系车的性能不会差到哪里。
307的发动机,高转速,非常适应爬山路,负荷较大的路况,过弯加速游刃有余,因为功率=扭矩*转速/9550 ,高转速高扭力高功率,低速低负荷就吃亏了,EC5的发动机要省1个油。现在的新车,油耗差距更小了。
售后少了,唉,以后307能用到电路图的机会还是很多的

