热门
无聊~把家用车机的187A(187B)的功放芯片提升一下!
1 27 发布于 2021-05-04 20:53:03 只看楼主 热门标准
点击查看热门标准,热门算法维度通过账号健康度、浏览、评论、点赞、收藏、转发、反作弊等进行综合评判
修改帖子
这两个主机的功放芯片的针脚定义对比过一样的拆主机就不说了~几颗梅花螺丝的事儿!原车垃圾功放芯片TDA75610LV

家里备用机RCD300+的功放IC (TDA7563B)

187A功放芯片位置

RCD300+的功放芯片位置

拿出家伙事儿,准备开干!

27个脚,400°熔下来!

没有专业工具,脚都是完整的,就是有点歪

187A芯片直接直接拉掉~不打算利用

把7563B焊在187A的主板上!

75610LV 的尸体

简单恢复测试~完美!效果提升一大节!

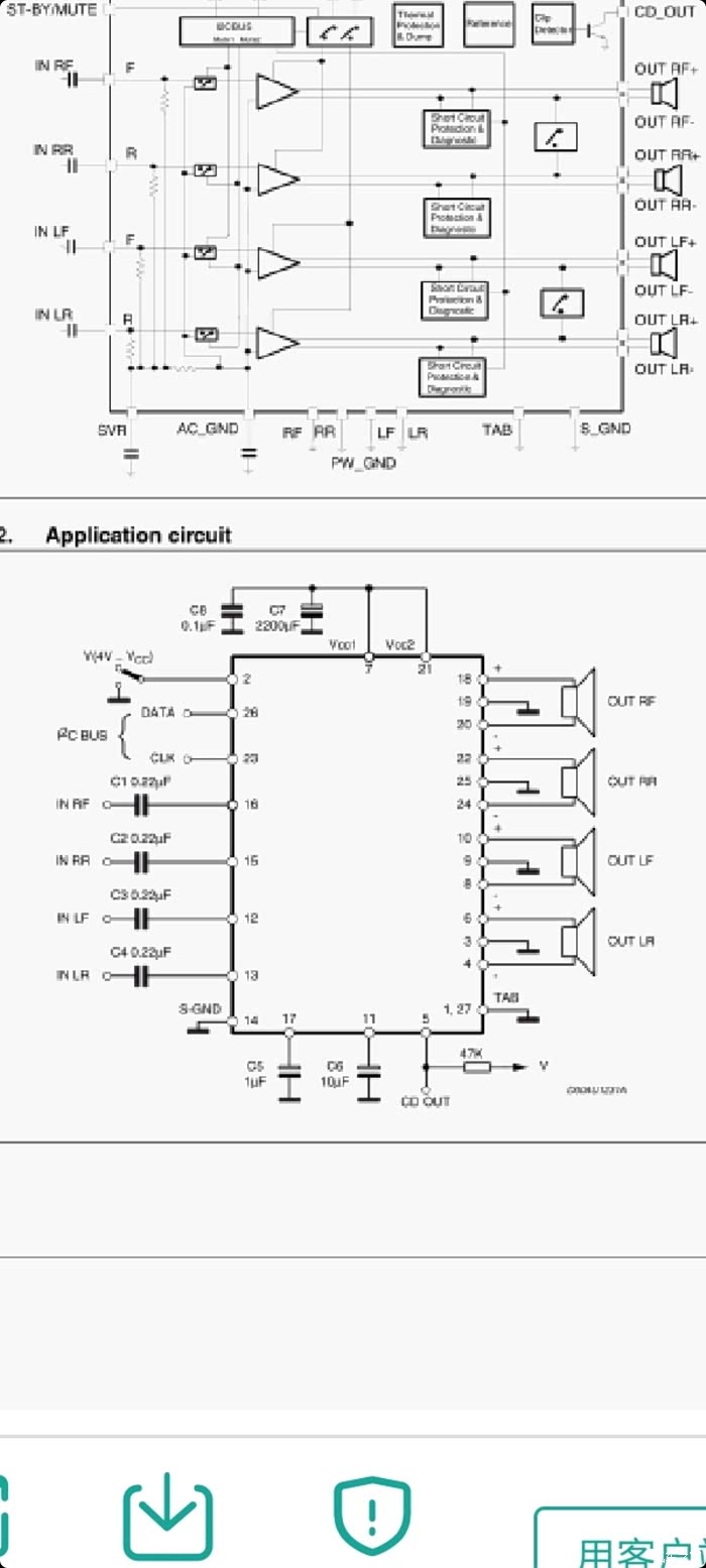
原车18610LV的针脚定义!

1863B的针脚定义!据说都是进口功放芯片!圈出来那个位置TDA76510LV是25V2200uf的电容,而1863B则对应的是3300uf的电容,果断换!

187A原机配的是三和的电容

三和

电容背面

进口日本化工25V3300uf

高度差不多,就是胖了点~针脚间距比原来的宽~并一下就可以了!

完美!音质提升一大截!666   想提升音质的可以考虑哦

  • 装饰
很抱歉,该主帖尚未满足精华帖15张图片要求,不能予以精华,更多精华标准点击此处查看
修改主帖
内容系网友发布,涉及安全和抄袭问题属于网友个人行为,不代表汽车之家观点,可联系客服删除。
举报
IP
回复
共2页
1 2
20条/页 前往

更多> 精选帖子

更多> 精选视频

扫码下载
汽车之家APP

随时获取
最新汽车资讯