本篇主要介绍了北汽绅宝d70常见故障的相关知识,若您需要了解更多关于北汽绅宝d70常见故障的文章资讯请您移步到绅宝D70阅读更多的这些知识能帮助到您。绅宝D70故障码:P0035详细介绍如下:
故障所属系统范围:暂无
适用车型:绅宝D70
中文含义解释:
P0034:Turbo旁通电磁阀控制线路低电压或断路
P0035:Turbo旁通电磁阀控制线路高电压
英文含义:暂无
P0035故障码相关知识:
暂无
故障原因和影响:
P0034:Turbo旁通电磁阀控制线路低电压或断路
01 DTC检测条件
01-01 启动停止按键置于“RUN”模式。
02 DTC触发条件
02-01 发动机控制单元监测到涡轮增压泄压控制阀控制线路电压低于正常值。
03 可能的故障原因
03-01 旁通电磁阀故障。
03-02 旁通电磁阀线路故障。
03-03 发动机控制单元故障。
P0035:Turbo旁通电磁阀控制线路高电压
01 DTC检测条件
01-01 启动停止按键置于“RUN”模式。
02 DTC触发条件
02-01 发动机控制单元监测到涡轮增压泄压控制阀控制线路电压高于正常值。
03 可能的故障原因
03-01 旁通电磁阀故障。
03-02 旁通电磁阀线路故障。
03-03 发动机控制单元故障。
建议及解决方法:
01 DTC检测步骤:在进行下列步骤之前,确认蓄电池电压为正常电压。
01-01 关闭启动停止按键及所有用电器。
01-02 将诊断仪BDS连接至车辆诊断接口上。
01-03 启动停止按键置于“RUN”模式。
01-04 用诊断仪读取和清除DTC。
提示:使用最新的软件检测。
01-05 关闭启动停止按键及所有用电器,3-5 秒后重新将启动停止按键置于“RUN”模式。
01-06 (重新启动发动机进行路试,使发动机在各工况下运行。)
01-07 用诊断仪读取DTC。
01-08 如果检测到DTC,则说明车辆有故障,请进行相应的诊断步骤。如果没有检测到DTC,则说明先前检测到的故障为偶发性故障。
02 诊断步骤:
提示:故障排除后,重新验证DTC及症状是否存在。
02-01 检查发动机舱保险丝盒EF40(15A)是否正常。
是
进行02-02步。
否
更换保险丝。
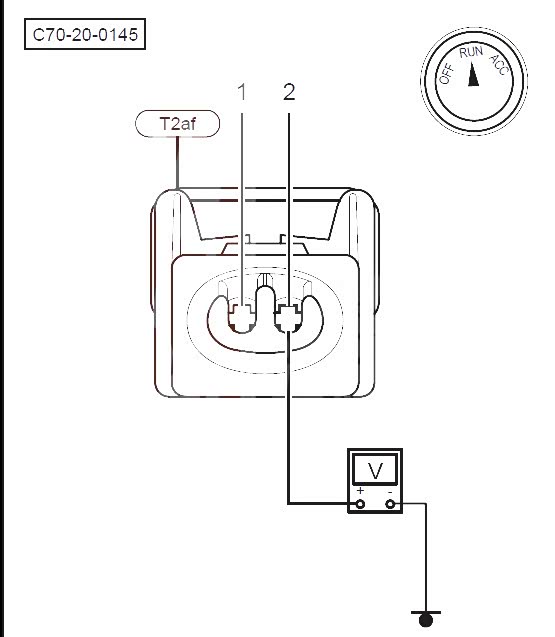
02-02 断开Turbo旁通电磁阀插头T2af。
02-03 启动停止按键置于“RUN”模式,测量Turbo旁通电磁阀插头T2af/2针脚是否为蓄电池电压。

是
进行02-04步。
否
保险丝EF40(15A)到Turbo旁通电磁阀插头
02-04 断开发动机控制单元插头T73a。
02-05 测量T2af/1针脚到T73a/31针脚之间是否出现短路、断路情况。
是
维修故障导线。
否
进行02-06步。
02-06 更换一个已知良好的Turbo旁通电磁阀,进行路试;重新进行诊断,读取故障码,确认故障码及症状是否存在。
是
进行02-07步。
否
Turbo旁通电磁阀损坏,更换Turbo旁通电磁阀。
02-07 更换发动机控制单元,进行路试;重新进行诊断,读取故障码,确认故障码及症状是否存在。
是
从其他症状查找原因。
否
更换发动机控制单元。