艾五加装前雾灯带转向辅助功能探索
1 358 发布于 2019-09-26 17:09:36 只看楼主 热门标准
点击查看热门标准,热门算法维度通过账号健康度、浏览、评论、点赞、收藏、转发、反作弊等进行综合评判
修改帖子
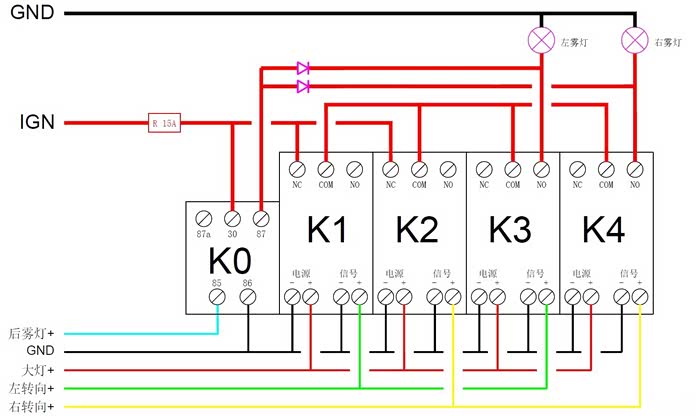
话说艾五居然不配前雾灯,清明晚上回老家,下了高速雾特别大,只能慢慢的走,旁边一个led大灯的更惨,简直就是在爬,于是乎,最近想加一对雾灯,并且让它有转向辅助功能。车友们看看这样改电路是否可行?

自己设计的电路:大灯+取电作为继电器模块K1~K4电源,这样白天(大灯不亮时)转向辅助失效、雾灯失效(后雾灯开启本来就需要先打开大灯),右转向灯+作为右雾灯触发信号,左转向灯+作为左雾灯触发信号,开启对应的雾灯,添加筛选功能,双闪时不开启雾灯,开启后雾灯同时打开两个前雾灯

接线图,上面为雾灯电源部分,下面为触发信号部分

K1~K4:延时继电器,可以将转向灯脉冲信号变为长信号,0~30s可调,我们可以调成5秒,这样关闭转向灯后雾灯保持5秒再熄灭

延时继电器描述

K0:普通12V继电器

最后编辑于2019-12-11 10:57:19
很抱歉,该主帖尚未满足精华帖15张图片要求,不能予以精华,更多精华标准点击此处查看
修改主帖
内容系网友发布,涉及安全和抄袭问题属于网友个人行为,不代表汽车之家观点,可联系客服删除。
举报
IP
回复
共18页
1 23456 ... 18
20条/页 前往

更多> 精选帖子

更多> 精选视频

扫码下载
汽车之家APP

随时获取
最新汽车资讯