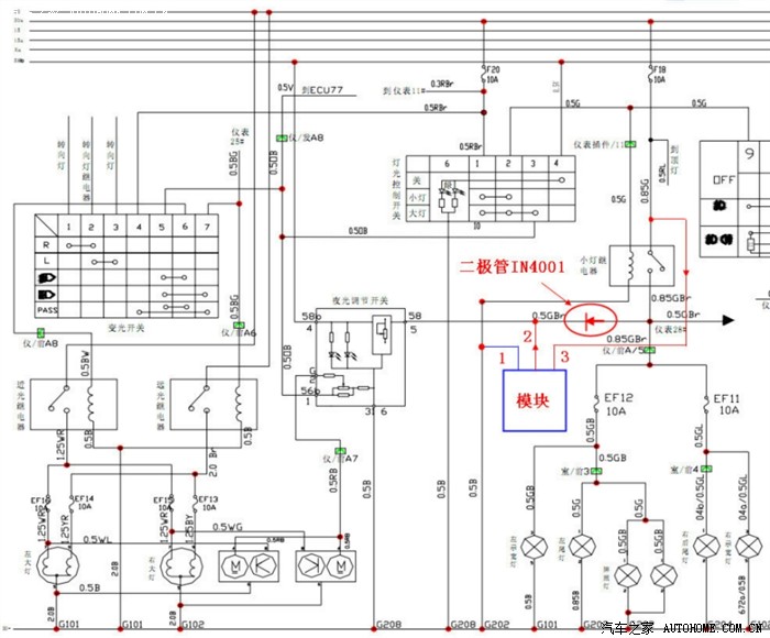
简单说明一下这个电路图
1、此电路的作用为光线暗时仪表光感自动点亮,但是此时示宽灯不开启,仪表上也无示宽灯提示,这样的话可以让驾驶人分辨行车灯有无打开
2、使用IN4001的作用是光感自动点亮仪表控制电路起作用时不会影响到原车的其他功能,而且也不会开启示宽灯,如原车小灯开关打开后小灯继电器闭合,光感控制模块自动失效,达到开近光灯开关后光感控制模块失效的目的,也就是说原车的小灯开关优先,小灯开关开时光感失效,小灯开关关闭时光感才起作用
3、有人如果想改仪表灯为开ACC就亮,那么可以把位置2那里的线直接接到ACC那里即可,但要记得加二极管哦
4、有人会问,为什么不直接进到58b接?因为从电路图上分析58b的电压是受夜光调节开关控制电压来达到调节灯光亮度的,从电路图上看应该不会有12V,如果直接接入58b恐怕有可能烧坏仪表背光的LED,所以还是在58线束这边来接经过调节开关的降压作用来达到安全电压,尽量符合原车电路的设计
5、这个图里的模块淘宝上很多,建议买电流安培数在12V 1A的那种,价格不超过20块(搜索关键字 “光控”“ 开关”“ 模块”关键字中间用空格隔开),感光器(光敏电阻)可以用延长线接到A柱内侧,这样就可以免受对面来车灯光的干扰,我没有实际改装图,就借用其他车友的图来秀一下



改ACC我就不另外画图了,你们自己看得懂的

游客
扫码下载
汽车之家APP
随时获取
最新汽车资讯