汽车之家
搜索
历史搜索
清空
找论坛
最近浏览
退出登录
网站导航
文章
评测
车家号
视频
直播
车型对比
图片
报价
车商城
降价
经销商
二手车
金融
论坛
精选
口碑
用车
更多
移动App
触屏版
小程序
i车商
二手车之家
商家后台
设置
版务办公室
版主资料
请假系统
管理后台
中管后台
库斯途论坛
品牌论坛
口碑
问大家
论坛精选
库斯途论坛
>
低配加装原厂低音炮(低音补偿)
0
10
快速回复
发布
发帖
提问
热门
低配加装原厂低音炮(低音补偿)
1
10
发布于
浙江
2022-10-01 12:44:46
只看楼主
热门标准
点击查看热门标准,热门算法维度通过账号健康度、浏览、评论、点赞、收藏、转发、反作弊等进行综合评判
修改帖子
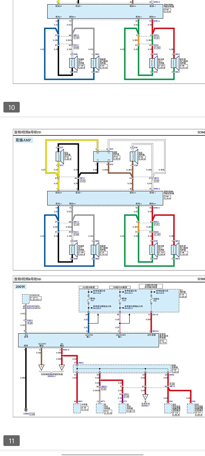
听歌感觉差一点.声音设置低音调到10感觉还差点。于是淘了个原厂拆车低音炮。
自己接线完美改装。俩三白小改一下。入门级小改。不想大改。
卖家说事故车拆车件。
自己慢慢拆
拆功放找接线定义.左右声道输入.一个+,一个acc,两路搭铁。
找acc电源,接USB供电上,正级接电瓶正级
拆储物盒给低音炮腾空间
电动尾门控制模块,后期改装预习一下
原位螺丝固定
走线
低配是个储物空间
左右喇叭接高电平信号输入,功放是高电平输入不是低电平
喇叭罩堵上。(想办法固定上的)完美装车.几乎完美改装。试听低音有补偿效果。原厂后备箱小没打算外置低音炮。
车辆改装
很抱歉,该主帖尚未满足精华帖15张图片要求,不能予以精华,更多精华标准
点击此处
查看
修改主帖
内容系网友发布,涉及安全和抄袭问题属于网友个人行为,不代表汽车之家观点,可联系客服删除。
举报
IP
回复
来自于
安徽
2022-10-01 12:54:50
IP
沙发
挺好的
回复
0
举报
#提车分享#12月分享提车作业,立即获得300元现金红包!
来自于
山东
2022-10-01 21:54:50
IP
板凳
第七个喇叭在后面吗?一直没找到
回复
0
举报
【有奖征集】2025我的年度里程,赢888元红包
来自于
河北
2022-10-02 10:02:46
IP
地板
感谢分享
回复
0
举报
来自于
河北
2022-10-02 14:20:14
IP
请问低音炮的功放是独立的吗?在位置?
回复
0
举报
来自于
河北
2022-10-06 22:42:48
IP
低配预留低音炮的线了么?还是从机头扯的线?
回复
0
举报
2022-10-09 16:01:02
IP
拆车低音炮在哪能买?能不能发个联系方式给我:13302655992
来自于
江苏
2023-03-01 10:59:17
IP
低音炮有没有预留线,还是要自己在穿线
回复
0
举报
2024-12-10 17:26:44
IP
接线容易吗?原车没有预留接口吗!
回复
0
举报
来自于
广西
2025-03-17 23:28:18
IP
大哥我也想咸鱼购买一个原车低音炮,这低音炮的8根线怎么接
回复
0
举报
来自于
陕西
2025-12-12 22:16:07
IP
麻烦问下用多大的螺帽。接线图大家参考下。
回复
0
举报
共1页
1
20条/页
前往
页
游客
更多>
精选帖子
是那一抹耀眼红映佳人
极氪9X提车分享记
标致508用车费用盘点
零跑Lafa5提车日记
一路向北 直奔陕西
更多>
精选视频
06:40
已是第二次来子梅垭口
07:34
青海藏着震撼的故事
06:19
床车自驾环游景德镇
04:26
庆Ocean Day 快乐共成长
07:02
克里雅古道最后一天
确定屏蔽吗?
一旦屏蔽,他就失去了与你的一切联系,回帖和私信都找不到你,再想想。
确认屏蔽
取消
确定取消屏蔽吗?
恭喜你们化干戈为玉帛,让他能回到你的世界里,确定这么做么
解除屏蔽
取消
确定删除吗?
您确定要删除这条回复吗
确定
取消
是否将这个帖子
转为图文帖
?
确定
取消
扫码下载
汽车之家APP
随时获取
最新汽车资讯