热门
2022款迈锐宝XL550锐联升级7声道Bose线路图解
1 20 发布于 江苏 2023-12-22 16:09:41 只看楼主 热门标准
点击查看热门标准,热门算法维度通过账号健康度、浏览、评论、点赞、收藏、转发、反作弊等进行综合评判
修改帖子
2023年1月置换加贷款迈锐宝XL550锐联,原车6喇叭,配K108 主动降噪放大器模块,音质能满足日常需求。在今年3月份找到了一家上海通用音响导航售后服务点,升级了全车喇叭及7声道Bose功放。本人上次在论坛里发表过,自己清理了,这段时间晚上没啥事又重新整理了一下,仅供有需要的朋友参考,至于值不值不,白菜萝卜各有所爱,本帖只为升级交流,不作为技术指导。

一、本人的2022款雪佛兰迈锐宝XL550T锐联



二、升级Bose套件


更换套件, 6*9后窗台低音喇叭x2、后车门喇叭x2、前车门喇叭x2、A柱高音喇叭x2、中置喇叭x1、中置喇叭装饰盖x1、 7声道带主动降噪BOSE功放x1、无损线束x1、高配后窗台饰板x1,所有喇叭产地墨西哥,价格0.7W。

三、升级Bose线路详解


(一)后备箱功放插头图解



功放、插头区别:功放位置在后备箱右侧,原车功放与Bose功放X1\X2\X3插座一样,Bose功放多出一个X4插座(以太网数据传输)。

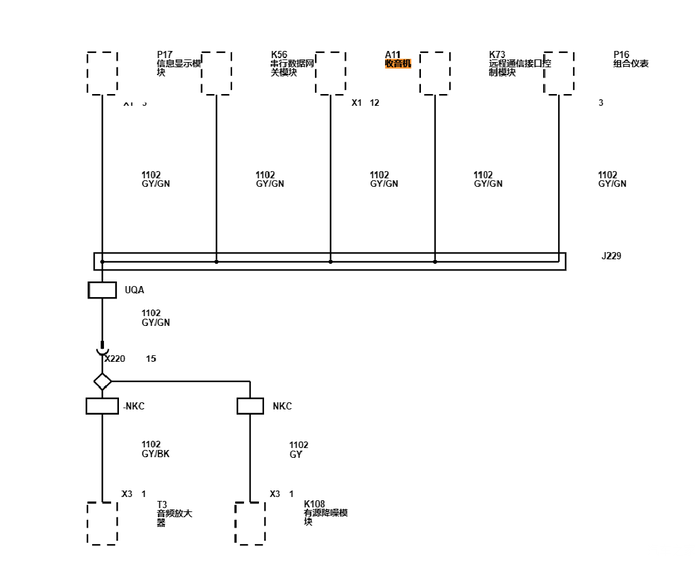
(二)、锐联A11收音机插头图解


收音机位置在副驾驶位储物箱下面,取掉保护板3颗卡扣就能看见,只是人要躺仰着施工。因为收音机这有3根线要接在X2、X7端口上(低速 GMLAN 串行数据线、以太网总线 6 [+]、以太网总线 6 [-]),后面会详细介绍。

(三)、Bose功放接线图解


1、概述:上图为连接好的Bose功放,线束是他家做好的,绿色母插头对接原功放X2公插头直接对插,新的X2插头插功放,插头定义已经是调整好的;原车X1公插头利旧,并将绿色母插头后部的8根线其中4根线插入对应插针位置。原车X3公插头利旧,并补1根线;X4公插头是新的只有2根线。下面会详细解读。

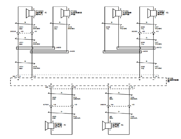
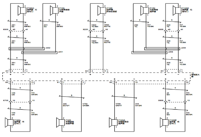
2、Bose7声道功放喇叭连接图

3、Bose功放X2接口喇叭接线图解: 原K108 主动噪声消除模块 X2  16P插头线束不用调整,与定制线束绿色插座对插就行,1、9、2、10、3、11、4、12,4组线束是从收音机到原功放车门喇叭控制线路,更换Bose功放就不再使用,空在那里,如果朋友们加装DSP估计应该可以使用;绿色插座后部只有8根线分别是5、13、6、14、7、15、8、16,4组线束是到各车门喇叭线束必须使用,这8根线分别到新的X2插头上及旧的X1插头上对应插针位置。新的X2插头共8根线,3、11为新增加的中置喇叭线到中控台;原8、16针脚调整到新插头4、12上为右后门喇叭;原7、15针脚调整到新插头5、13上为左后门喇叭;新插头8、16为新增右后侧重低音喇叭。

4、Bose功放X1接口喇叭接线图解:上面提过绿色插座后部只有8根线分别是5、13、6、14、7、15、8、16,4组线束分别到新的X2插头上及旧的X1插头上对应插针位置。旧的X1插头由原来的3根线变成8根线,原5、13针脚调整到新插头3、7上为左前门喇叭;原6、14针脚调整到新插头2、6上为右前门喇叭;1、5为新增左后侧重低音喇叭。

5、Bose功放电源接线图解:插在Bose功放X1插座上的X1插头2根电源线4、8定义不变,退出原第3针娱乐系统遥控启用信号线,这根线不再使用,第3针变为左前喇叭 [+] 。


低速 GMLAN 串行数据连接的设备

6、Bose功放主动降噪接线图解:X3接口区别在于Bose功放多了一根低速 GMLAN 串行数据线,定制线束有这根线,插在原X3插头端子1上;另一头接在收音机X2插头23针上,目前插在原收音机X2  29P插头第24针上,24针与23针不太清楚内部是不是窜上的,现在正常使用。


7、Bose功放以太网数据传输接线图解:定制线束包含X4插头,功放端插在X4插座上就行,到收音机那端是插针,直接插进收音机X7  20P插头的12、13针就可以了,分清正负就好。

8、程序刷入: 所有线束链接后刷入程序放歌试听,再安装高配后窗台饰板、C柱饰板、中置喇叭饰板。

当然在不破坏线束的前提下原厂不一定是最好,但应该最稳定最不容易出问题,改装有风险,此贴只供车友们参考及借鉴。本人初中毕业文化水平不高,如有错别字或者不通顺的地方请包容。

  • 用车经验
  • 车辆改装
很抱歉,该主帖尚未满足精华帖15张图片要求,不能予以精华,更多精华标准点击此处查看
修改主帖
内容系网友发布,涉及安全和抄袭问题属于网友个人行为,不代表汽车之家观点,可联系客服删除。
举报
IP
回复
共1页
1
20条/页 前往

更多> 精选帖子

更多> 精选视频

扫码下载
汽车之家APP

随时获取
最新汽车资讯