相关车型:福克斯 2012款三厢1.6L自动风尚型
一、车辆基本情况:
购买时间:2015年4月底
车型:12款新福克斯1.6L自动风尚型三厢
颜色:白色
行驶里程:106000公里
车机:2.0L索尼SYNC1
二、加装原由:
在小福陪我度过了快6年的时光,里程也已经达到了9万多公里的时候,它带给了我欢乐,也带给了我安全,但我对原车自带的小蓝屏仪表也是越看越腻了,怎么看彩色大屏仪表都觉得帅。
在经过一段时间的酝酿之后,也经过多方了解,有很多仪表可以选择:美版的,翼虎的,国行福克斯的。通过对比最终选择了15款的高配大屏仪表,装上之后是真的帅气,速度指针都准,外框贴合完美,不过问题来了:倒车雷达不会声音提醒了,只会在中控上有图形显示。因为原车DV4T的雷达跟15款的高配仪表并不匹配。
为了能够解决这个问题,经过跟车友了解需要更换F1ET配件号的雷达模块。模块到位后立刻更换,测试这个模块支不支持原车自带的3个倒车雷达探头。经过试验没有成功,最终还是购买了一个探头,补到4个,因为15款福克斯倒车雷达探头就是4个,然后刷好雷达模块的参数,启动车辆系统正常,倒车时探头检测准确。
到此其实改装也可告一段落了。但是总有一颗安耐不住的心,总想搞点事情。终于在快7年的时候决定给小福加装前雷达。这个想法是直至今年才有的。小福的前脸没少被磕碰,虽然我印象中没有什么磕碰,只有一次比较深刻的印象是因为没有刹住车,撞到了坑前边的路锥,但是车头没什么大影响,几乎看不出印迹。
言归正传,又跑题了。但是每次停车或者从侧方的车位出来时总怕跟前方车辆发生剐蹭,本来可以一次性就可以出来的,结果来来回回得打好几把方向盘才出来。要不就得麻烦媳妇儿下去给我看情况,说实话让她看还不如不让,起不到多大的作用,提醒不及时,经常犯迷糊。既影响了别人的正常通行,同时也感觉很丢人,太尴尬。
为了不给他人开车造成困扰,同时也不给媳妇儿找麻烦,我决定自己动手加装前雷达,低速时检测到障碍物主动提醒,帮我判断与前车或其他障碍物距离。
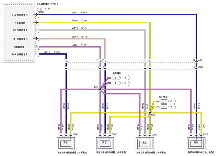
从网上搜索资料,发现12款新福克斯加装单独前雷达的帖子很少,原厂方案更少,几乎没有,完全搜索不到。有一个帖子是12款新福克斯加装前6雷达的,带自动泊车辅助功能。他改的这个超过15km/h后前雷达会取消,低速不会被再次触发。这个帖子让我看到了自己动手加装前4雷达的希望。经过反复看福克斯泊车辅助的电路图,思前想后,觉得应该没问题。电路比较简单,给前雷达用的就是电源,接地,还有4颗前雷达探头的信号反馈线。其他电路有控制前雷达、指示灯、还有主动泊车的电路,不加应该没有什么影响。
三、改装步骤
既然决定了就开始着手干。从网上把需要的所有配件买齐,包括雷达模块,探头,支架,还有做线束的一堆东西。
第一步做线束。按照上边的福克斯电路图,前雷达需要6根线接雷达模块就可以,模块插头线序按照电路图定好。我从网上买了6种颜色的0.3方的电线,为了区分电源,接地跟4颗雷达探头的信号反馈线,这样不至于乱。电源用红色的线,接地用黑色的线,探头用4种其他颜色的线,然后指定好接哪个位置的探头。在车身上量出大概使用电线的长度,根据实际量出的长度做好线束。线束在发动机舱我做了转接,用的是8PIN的插头插座作为转接器(实际上用了6个针脚,如果是加主动泊车功能的就需要用到8个针脚)模块到发动机舱我用了5米的线,然后从转接插头到车头右外侧1.0m(白色),右内测1.25m(紫色),左内测2.05m(绿色),左外侧2.27m(黄色)。我的长度只是参考,实际上接探头的线束我的是长的,模块到发动机舱的线倒是挺合适。
第二步拆下前杠打孔装支架。前杠拆卸步骤略过。其实福克斯在出厂的时候已经在前杠的背面给前雷达探头预留了位置,按照位置打孔就可以。
内测两个打孔从外边打,外侧的随便都可以。我内侧的两个探头支架用的就是咱们倒车雷达的支架,买的黑色的,这个是需要切割的,原安装位置小一些,下边有图片仔细看一下切成什么样。
外侧的两个用的15款福克斯的外侧支架,用起来还可以。因为卖家没有白色的,所以就买了两个一样灰色,现在看起来也还可以。后期如果觉得不舒服,再把它喷漆成白色,暂时先这么用。样式都是外装式的,这种对开孔要求不大,开得不好,也可以盖住。开孔用差不多大小的开孔器打,保证好开孔的高度,左右间距,用壁纸刀按照支架的形状把前杠的孔修好,参照倒车雷达探头的孔来修(一定要这样,雷达探头安装有方向),修好后把支架装好。
第三步更换模块布线接线。需要把原来的REAR倒车雷达模块换成ACTIVE主动泊车雷达模块。把线束模块插头在雷达模块B插槽插好,然后把转接器插座从后备箱右侧的一个孔穿到车内,然后把整条线束沿着门槛走,通过副驾驶位置前边的一个洞穿到发动机舱位置。整条线都会隐藏起来,完全看不出,很完美。
把4颗探头接上探头插头装到支架上,然后走好线束,如果有需要就用捆扎带绑一下。接探头的这条线束有转接器的插头,把前杠的探头线束整理好之后,把插头留上来,然后装好前杠。最后把转接器的插头插座对插即可。
第四步刷隐藏参数。把刷车的线接上车辆的OBD诊断口,我使用的是红UCDS,如果有ELM327或ELS27也可以。改AB文件的59项的值为05就可以。
第五步启动车辆,检验成果。把所有的线都接好后,启动车辆。然而意料之中的事情还是发生了,报泊车辅助故障,还是不会一帆风顺。用电脑读取PAM(泊车辅助模块)故障码,报与BCM通讯丢失故障,与PCM通讯丢失故障,与开关控制模块通讯丢失的故障等。
第六步分析问题解决。报了故障先不要慌。模块的通讯是通过HS网络线进行,网络线我压根没动。为了确定网络没问题,我换回原来的雷达模块,更改59项到初始值。泊车辅助系统好的,证明网络线路没问题。接下来我想到购买的模块是不是有问题,为了验证,我把主动泊车的雷达模块参数按照原车的模块参数进行修改,改完后着车,系统正常,说明模块没问题。我感觉看到了希望,接下来我又改了新模块的参数,传感器数量改成了8,原来为4,是倒车4雷达,增加4个支持前雷达。然后把前雷达支持改成允许。修改完成后,启动车辆,系统不报故障。挂倒挡后前雷达提示已经出来。成功的希望又大了一些。从后备箱找来大纸箱,放置在车车前面。我坐进驾驶室,开始缓慢行进,令人兴奋的“嘀,嘀,嘀”声音出来了,从间断鸣叫到长鸣。我抱着轻松的心情,下车查看情况,车头距前方的纸箱子还有20㎝左右。观察中控屏,触发前雷达会有画面显示,但不会出现颜色变化,只显示虚线。这个可能是哪个参数不对,目前还没解决,后续再研究。

第七步总结经验。车辆模块参数不一定适合自身车辆,所以在参数不对的情况下会报故。有的模块则会工作不正常。
第八步用车感受。车辆启动后,挂倒挡后会显示倒车跟前雷达的画面,倒车时系统正常,低速前进时(速度不超过13㎞/h,数据来自于15款全新福克斯车主手册电子版)检测到障碍物,中控显示会被触发出来并随着距离越来越近声音渐变提醒。速度上来以后,车辆正常使用,不管多长时间,等跟车行驶等红绿灯时速度慢下来前雷达仍然会被触发,说明前雷达低速时在工作状态。这样也就省得我去买开关了,这个也就是为什么我在前边赘述了那么多的原因,因为我换的15款全新福克斯的高配仪表,又换了15款的雷达模块,所以这一套与原12款前雷达有区别了。15款的可以低速主动触发,12款的就需要开关打开前雷达。
四、加装前雷达需要购买自制的配件:
1、主动泊车雷达模块1个(某鱼购买)(只有主动泊车雷达模块支持前雷达功能,不要看倒车雷达模块B插座也有插针,据车友拆开发现里边缺少电路)
2、探头4个(某鱼购买)
3、探头支架4个(内侧两个,黑颜色;外侧两个,灰色,我想要白的没有,将就着用了,有时间给它喷白漆)
4、自制线束1套(带4个探头插头,在发动机舱转接)
五、我加装的其他功能:
1、仪表指南针(地库也可以指示南北,是地磁指南针,如果装上地库不好使,需要改参数)
2、ACC自适应巡航系统(在巡航速度下根据前车速度调整自身速度,这个我是从定速巡航改过来的,定速太死,没有车的区间测速路段还好,车太多了就废了)
3、自动大灯跟自动雨刮(是一个模块的两个功能,需要雨感模块,大灯开关不需要更换,可以切割出来自动档位)
4、ACS城市安全系统(我用的模块是二代模块,理论上支持50㎞/h以下的自动刹车,但是需要更换翼虎高配ABS泵,目前我的支持30㎞/h以下的自动刹车缓解碰撞)
5、自动防眩目后视镜(接好线就可以,不需要刷机)
6、前雷达泊车辅助(停车时可以辅助,在进入狭窄路段也是个提醒)
7、前置摄像头(观察车头前方路况和障碍物,主要是车辆前方的盲区位置,比较多的位置雷达检测不到摄像头就有用了。还有就是风挡玻璃结冰的时候一时清理不干净打开摄像头前方一清二楚)
8、无钥匙进入与一键启动(目前只改了一键启动,东北太冷,现在不适合拆装门,等暖和了再改无钥匙进入,线束自己做,现成的太贵,能省则省)
9、感应后备箱(这个功能配合无钥匙进入才更方便,因为没有加液压杆,只是解锁后靠弹簧拉开,不能感应关闭。没有无钥匙进入功能也可以,前提是车辆在解锁状态)
有想加装以上功能的,可以跟我多沟通交流!需要的资料可以找我要,免费提供,只为让兄弟们在加装的路上少走弯路。投入少事办了(liao),这就是我的目的!有小福陪伴,有热爱改装的车友陪伴,这就是幸福之路!
六、特别鸣谢
车友:不动声色、-、风清扬、書涛
改装初衷
12款新福克斯自动风尚型三厢。加装前雷达主要是为了侧方停车或者在狭窄路段通过时更有底气,不需要下车查到情况,减轻工作量。
改装效果展示
改装清单
1、模块(全新)200元(某鱼购买)
2、探头4个(拆车件)共70元(某鱼购买)
3、支架4个共60元(某鱼购买)
4、全套线束自制大概80元(某宝购买零件自己制作)