汽车之家
搜索
历史搜索
清空
找论坛
最近浏览
退出登录
网站导航
文章
评测
车家号
视频
直播
车型对比
图片
报价
车商城
降价
经销商
二手车
金融
论坛
精选
口碑
用车
更多
移动App
触屏版
小程序
i车商
二手车之家
商家后台
设置
版务办公室
版主资料
请假系统
管理后台
中管后台
标致301论坛
品牌论坛
口碑
问大家
论坛精选
标致301论坛
>
标致301点烟器取电
0
6
快速回复
发布
发帖
提问
标致301点烟器取电
1
6
发布于
福建
2023-06-03 23:58:05
只看楼主
热门标准
点击查看热门标准,热门算法维度通过账号健康度、浏览、评论、点赞、收藏、转发、反作弊等进行综合评判
修改帖子
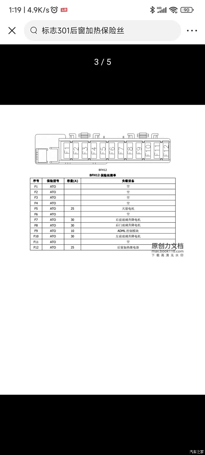
保险实取电主驾驶编号F16
F16
用车经验
很抱歉,该主帖尚未满足精华帖15张图片要求,不能予以精华,更多精华标准
点击此处
查看
修改主帖
内容系网友发布,涉及安全和抄袭问题属于网友个人行为,不代表汽车之家观点,可联系客服删除。
举报
IP
回复
来自于
福建
2023-06-04 00:09:55
IP
沙发
自己记录下方便下次用
回复
0
举报
#提车分享#1月分享提车作业,立即获得300元现金红包!
来自于
重庆
2023-06-04 11:55:45
IP
板凳
可以
回复
0
举报
【有奖征集】2025我的年度里程,赢888元红包
来自于
四川
2023-06-11 11:34:06
IP
地板
这个很实用喔
回复
0
举报
来自于
福建
2023-08-03 23:48:59
IP
回复
0
举报
来自于
四川
2023-10-03 12:11:19
IP
还可以的
回复
0
举报
来自于
广西
2023-10-04 07:51:53
IP
回复
0
举报
共1页
1
20条/页
前往
页
游客
更多>
精选帖子
北京有棵红色圣诞树
理想i8提车作业分享
吉利牛仔提车作业分享
奔驰GLC用车全记录
风云T9生活合伙人日记
更多>
精选视频
02:46
本田WN7电摩实拍分析
07:46
800块四天穿越阿勒泰
09:42
藏西建海拔最高篮球架
08:45
听传祺GS8车主 讲选车经验
01:49
秋冬食补粤式蟹羊煲
确定屏蔽吗?
一旦屏蔽,他就失去了与你的一切联系,回帖和私信都找不到你,再想想。
确认屏蔽
取消
确定取消屏蔽吗?
恭喜你们化干戈为玉帛,让他能回到你的世界里,确定这么做么
解除屏蔽
取消
确定删除吗?
您确定要删除这条回复吗
确定
取消
是否将这个帖子
转为图文帖
?
确定
取消
扫码下载
汽车之家APP
随时获取
最新汽车资讯