


cv4271 2019/03/30 03:08:10 发表在 沙发
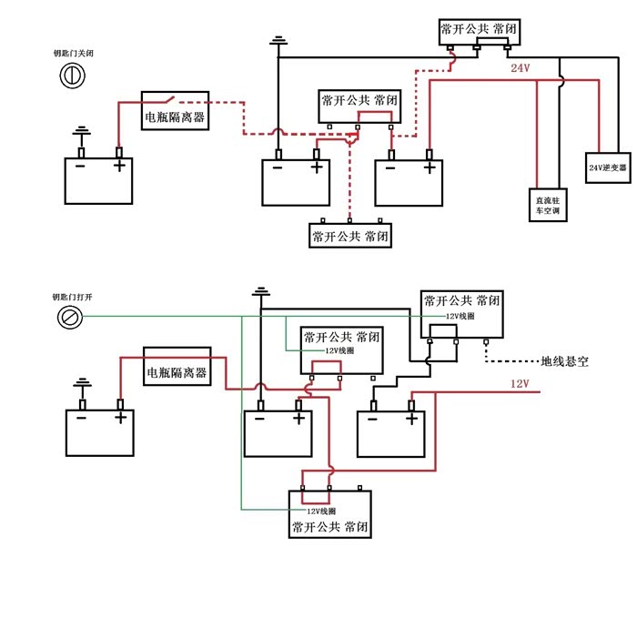
使用心得,今后会与大家继续分享这是一个24v备用电池组的充电电路,我说下功能,看懂自己就会搭建备用电池组电路了。1.拔下车钥匙,24V备用电池组电路接通,你可以使用24v逆变器或24v直流驻车空调。2.打开车钥匙,12v充电线路接通,24v地线悬空,不能使用逆变器和直流驻车空调。3.使用此电路要特别注意备用电池组的容量,容量太大可能会烧你发电机,管教不管赔,而且不适合锂电池。4.24v逆变器的效率肯定比12v高多了,这点就不再赘述,24v的直流电器也很多。材料包括3个12v线圈80a继电器,就是用我现在用的这种。这种继电器标称80a,应该是峰值电流,因为继电器是2开2闭,你可以用两根6方的缆并...

MegaEnergy美佳车灯 2020/06/15 10:12:29 发表在 182楼








植入空调真是个好方案,明年准备搞个V90改床车玩玩,到时候有问题请教楼主啊
楼主发不了你的站内私信,加个微信后续交流啊,我的是***
花了估计1小时阅读,谢谢楼主的经验。
电路部分还能看懂,水的部分懂一半吧,
空调太高深了。




游客
扫码下载
汽车之家APP
随时获取
最新汽车资讯