假装冷酷的猫 2014/11/04 22:38:48 发表在 41楼
一个模块搞定,可以私聊
搖滚GT 2014/11/04 22:36:07 发表在 38楼
朋友也叫我装个车台,想想还是算了,真心不知道放在哪个位置,看到楼主的又有想法了暂时还是先用着手台先还有,兄弟 防盗自动锁车那几个都是一个电子仪器搞掂吗?》还是自动落锁,升窗,防盗,折叠等是分开的?能否私信发个链接给我
搖滚GT 2014/11/04 22:40:44 发表在 42楼
微信还是QQ?
The_mechanic 2014/11/05 17:50:46 发表在 47楼
直接搭铁会有安全隐患吗?我对电不懂,但是看网上好多说搭铁是引起车辆自然的原因之一。
假装冷酷的猫 2014/11/04 22:36:39 发表在 39楼
直接搭铁,低功率和高功率地线分开,不要连到一起。方向盘下有两处可以接地的,一处是原车接地,有好多接头,此处接低功率电器。另外一处是原车预留的,有三个孔,两个有螺丝,一个稍微大点的,用螺丝(应该是m3)可以固定,这个地方可以固定车载电台地线,大功率。
这才是真牛b
假装冷酷的猫 2014/11/06 10:49:07 发表在 58楼
用于关闭车辆稳定性辅助系统,该系统在每次启动发动机后自动开启。在汽车极端环境下比如脱离泥潭或者玩漂移刺激、弹射起步时候,需要关闭车辆稳定性辅助系统,平时驾驶还是开启的好,所有这个按钮基本不要按。
刀羊氏 2014-11-5 23:16:06 发表在 53楼
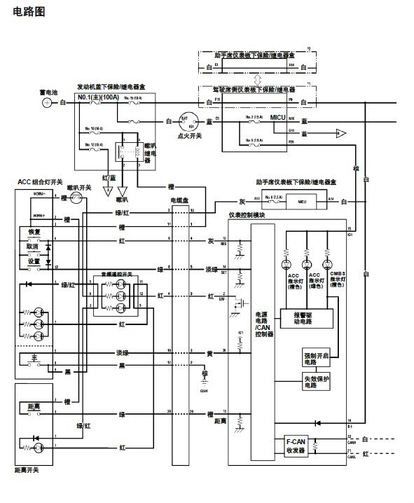
楼主,请问可以装自适应巡航吗?
Titaness 2014-11-6 09:01:48 发表在 56楼
我想请问下这个VSA OFF是干嘛用的?
Titaness 2014-11-6 10:50:44 发表在 59楼
我按了它仪表盘会出现一个感叹号 所以都不用它的 啊啊啊好抓狂 好多性能都不会用 亲~思铂睿有没有车友会
扫码下载 汽车之家APP
随时获取 最新汽车资讯