热门
博越之增加点火线圈电压
1 27 发布于 2020-01-07 20:55:22 只看楼主 热门标准
点击查看热门标准,热门算法维度通过账号健康度、浏览、评论、点赞、收藏、转发、反作弊等进行综合评判
修改帖子
原因:车三年了 电压不稳 点火线圈老化导致 点火能量不够   燃烧不完全积碳生成快
解决方案 : 增加点火线圈初级电压 从而提升次级电压 (点火线圈耐压19V本次增压17.9 原车电压14V)增加28%的能量

本次使用的升压器 能从6V
升17.9  保证了电压一直稳定17.9


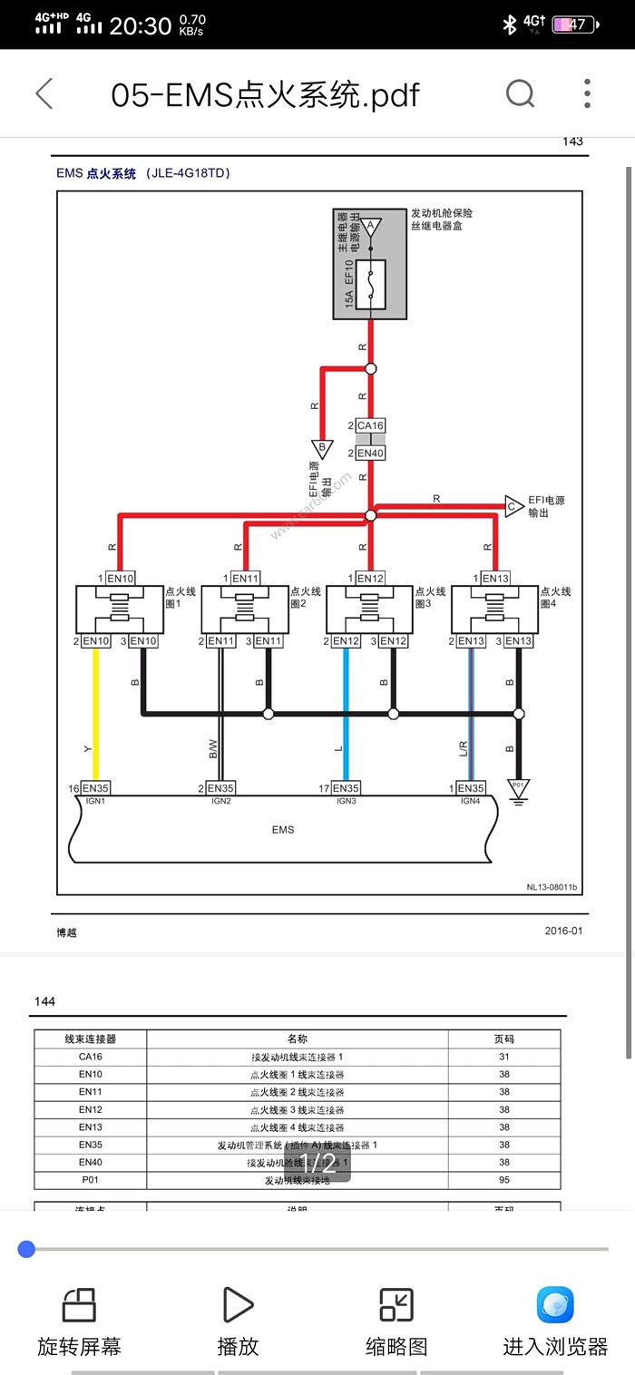
这是1.8的点火系统线路图  只需从一号线接线就行了 原厂线接到增压器 输入端   点火线圈那端接 增压器输出端 17.9v (不能从保险盒改 一不安全 二线路还包含了其他系统 )(二号是信号 三负)

我用的用无损方式接用端子接 直接插进原厂接头


用锡焊接稳定

再用热缩管包好 

正极接线


原厂插头因为用的端子插入 所以防止松动 用302粘住  

接好的走线没感觉是改装过吧  我用波纹管包裹线 防水隔热

做一下对比这是之前没改的 气门啥的都洗了 开了一两百公里这个地方就是有积碳  


这是今天拍的 积碳烧掉了 而且没有再形成


   
开了两天感受 低速有劲了 匀速行驶 瞬时油耗低了(应该是燃烧好的原因) 原本1100转上坡 抖动厉害 现在没有了 我把火花塞间隙调到0.9mm 原厂0.8  想改的可以不动火花塞间隙 增压16.5V就行  这东西没有芯片 就是电感应 提升电压完全没问题  这次发帖比较急 原本不想发的  现在就发一下 让想改的博越看一下  不懂的私信

  • 用车感受
很抱歉,该主帖尚未满足精华帖15张图片要求,不能予以精华,更多精华标准点击此处查看
修改主帖
内容系网友发布,涉及安全和抄袭问题属于网友个人行为,不代表汽车之家观点,可联系客服删除。
举报
IP
回复
共2页
1 2
20条/页 前往

更多> 精选帖子

更多> 精选视频

扫码下载
汽车之家APP

随时获取
最新汽车资讯