汽车之家
搜索
历史搜索
清空
找论坛
最近浏览
退出登录
网站导航
文章
评测
车家号
视频
直播
车型对比
图片
报价
车商城
降价
经销商
二手车
金融
论坛
精选
口碑
用车
更多
移动App
触屏版
小程序
i车商
二手车之家
商家后台
设置
版务办公室
版主资料
请假系统
管理后台
中管后台
宏光MINIEV论坛
品牌论坛
口碑
问大家
论坛精选
宏光MINIEV论坛
>
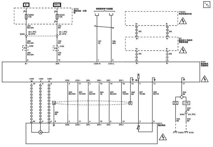
2021五菱宏光MINI EV 电路图-电源、搭铁、控制、串行数据
0
1
快速回复
发布
发帖
提问
2021五菱宏光MINI EV 电路图-电源、搭铁、控制、串行数据
1
1
发布于
浙江
2023-01-28 09:40:44
只看楼主
热门标准
点击查看热门标准,热门算法维度通过账号健康度、浏览、评论、点赞、收藏、转发、反作弊等进行综合评判
修改帖子
2021五菱宏光MINI EV 电路图-电源、搭铁、控制、串行数据
2021五菱宏光MINI EV 电路图-电源、搭铁、控制、串行数据
用车经验
很抱歉,该主帖尚未满足精华帖15张图片要求,不能予以精华,更多精华标准
点击此处
查看
修改主帖
内容系网友发布,涉及安全和抄袭问题属于网友个人行为,不代表汽车之家观点,可联系客服删除。
举报
IP
回复
来自于
山东
2024-07-27 10:38:57
IP
沙发
你好,有电机can协议吗
回复
0
举报
#提车分享#4月分享提车作业,立即获得300元现金红包!
共1页
1
20条/页
前往
页
游客
更多>
精选帖子
速腾提车作业分享
蔚来ES8提车作业分享
胜达用车心得分享
魏牌高山选车提车记录
别克至境L7提车分享
更多>
精选视频
03:52
最爱的运动之一是骑行
18:39
被网红菜市场征服
08:43
体验下新款小米SU7
02:20
坦克300VSBJ40越野PK
04:22
宝马740Li用车感受
确定屏蔽吗?
一旦屏蔽,他就失去了与你的一切联系,回帖和私信都找不到你,再想想。
确认屏蔽
取消
确定取消屏蔽吗?
恭喜你们化干戈为玉帛,让他能回到你的世界里,确定这么做么
解除屏蔽
取消
确定删除吗?
您确定要删除这条回复吗
确定
取消
是否将这个帖子
转为图文帖
?
确定
取消
扫码下载
汽车之家APP
随时获取
最新汽车资讯