有人说无钥匙进入和一键启动纯属多余,但是体验过就回不去,属于由奢入俭难。咨询了一些车友,在论坛研究了下前人的改装案例。结合自己近20天的折腾,准备整理发布下,也是给车友一些参考,话不多说,开干
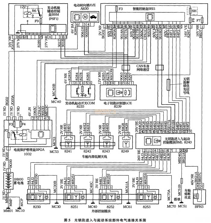
安装难点说下:一是刹车开关插头附近,拆装空调出风管,人必须躺着;二是三根天线布线,需要耐心;三是往回装的时候,需要找好主机和钥匙盒的位置,缠大量绒布胶带,避免后续异响。如果不需要遥控器远程点火,可以不接BSI那里的开关锁线,全程就只需要对插点火线和刹车灯开关两个插头加上接钥匙感应线圈一根线就行。
最后说下感受,无钥匙进入和一键启动是真方便,靠近1米自动解锁,不需要拉门把手,离开车子4米自动上锁。用过就回不去,改之前看不上,就和手动挡换自动挡之前一样的心态,最后发现,用过都说好!

感谢各位车友对我的指导和以前的发帖,自己动手丰衣足食,祝大家新年快乐
