《茶先生》08年老思迪,更换发动机右前机脚垫作业。顺带申请认证
车型:07思迪1.5L自动豪华版
颜色:格调灰
入手时间:08年7月
目前公里数:140000+
常规保养周期:每5000公里-7000公里间
常规保养用油:4S本田蓝桶
重大保养事件:01:120000公里更换波箱油及进行波箱保养。
02:100000公里免费更换方向机。
03: 140356公里更换发动机右前机脚垫(机脚胶)

思迪最美的角度
---------------------------------------------------------------------------------------------------------------------------
前阵子借车给朋友,接车回来后一启动车子声音巨大,整个车子都在震动,方向盘的感觉尤为明显,别说在方向盘上面立香烟了,就连放大件都能给你震下来!坐在车里完全就是受罪,方向盘震动不说,整个中控台也跟着嗡嗡响!心烦意乱的赶紧下车打开机舱盖进行检查,终于发现了原因。发动机的右前机脚垫裂了。 
发动机的右前机脚垫

发动机的右前机脚垫断裂

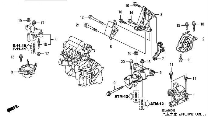
整个思迪发动机周围配件图
这次更换的部件为图上3号部件

网上购买的宣称正厂的部件

上架准备开始拆

千斤顶支撑好发动机

开始拆

拆下后的原机脚垫,整个胶垫破顺漏油

来个特写,漏油的机脚垫

本次主角登场,新的机脚垫

新旧机脚垫对比

新机脚垫产品编码
接着按原先的拆车顺序将新机脚垫安装回去,整个过程不到十分钟就搞定了!思迪的右前机脚垫很好拆,不用拆其他部件就可以直接拆下来了,相对于藏在电瓶底下的左前机脚垫好拆多了。买好配件找个熟悉的修理厂给个工时费就搞定了。本次维修费用机脚垫120+工时费50 ,合计170元!
更换完后试车,我的老思迪又回来了!方向盘不震了!中控台不响了!加油声音也小了!心情大好!
最后感谢Q群里的各位的帮助与陪伴,在群里的看到贴后要自觉顶帖嗄!有顶帖的来海口都请你们喝茶!
---------------------------------------------------------我是分界线-----------------------------------------------------
既然发帖了,我就多发点图,让老八、天平出来射射精

买车后自己加装的倒车雷达,话说这个车标真是不耐用,买回来没过多久就褪色了!!

之前整洁的发动机舱,还算干净吧。最近车跑工地多了,全是灰尘。

这个是开过的最低油耗,现在在海口市区跑的话平均在7.5个油左右。

120000+公里更换的马牌CC5轮胎,跑到现在磨损程度还能接受。

08年04月份制造
蓝色的是aux连接线,听歌就靠他了

四个轮毂都被摩擦成这个样子了。4s检查后建议更换。我觉得没啥影响继续用

来露个脸

小区内同款的思迪,大家看看哪个颜色好看嗄

郊游的时候拍的,思迪底盘还算高,只要不是太烂的路都还可以应付。

这是刚洗完车的时候,完美角度。

最后经典的大pose收场。我个人最喜欢的照片之一。
-------------------------------------------------------------------------------------------------------
北京车友3183024 2014/07/25 23:53:36 发表在 15楼
120元,你买的是副厂的,不是原厂的。而且你注意一下,外层包装写着泰国制造,竟然写着MADE IN CHINA。里面的袋子包装竟然写着made in japan。这些都是商家自己打印出来的,建议去买一个拆车的,也别买一个副厂的。修车的修理工说:之前他们换一个捷达的机脚胶,连续换了3个副厂的都不行,方向盘仍然共振。后来车主自己去4S店换,共振消失。你看,就是这么神奇。原厂的橡胶就是好。我的车也是机脚胶坏了,在淘宝买的拆车件的换上。完全没问题!
你这么一说我才发现。 祈祷能用久点吧海口车友6485825 2014/07/28 01:12:42 发表在 20楼
你这么一说我才发现。 祈祷能用久点吧
以后换配件还是去4s吧。
北京车友3183024 2014/07/25 23:53:36 发表在 15楼
120元,你买的是副厂的,不是原厂的。而且你注意一下,外层包装写着泰国制造,竟然写着MADE IN CHINA。里面的袋子包装竟然写着made in japan。这些都是商家自己打印出来的,建议去买一个拆车的,也别买一个副厂的。修车的修理工说:之前他们换一个捷达的机脚胶,连续换了3个副厂的都不行,方向盘仍然共振。后来车主自己去4S店换,共振消失。你看,就是这么神奇。原厂的橡胶就是好。我的车也是机脚胶坏了,在淘宝买的拆车件的换上。完全没问题!


还真被你说中了。买到假货了。跑了一次长途就烂了。 又去4s贡献了几百块~以后换配件还是去4s吧。
|
|
老八你什么时候卸任了,我还一直以为你还在为人民服务呢。

