生命在于折腾!英朗CD换前置运放IC加高音质汽车功放管TDA7850成功
由于车子买了自动舒适版(舒适版就是折腾版
),看看我其他贴就知道我多能折腾了,生命在于折腾嘛
。CD那些都是低配的,后来在某宝上淘了俩个高配CD。未破解的,一个才10元,便宜吧,然后自己破解了下。破解很简单的。后来在网上看到很多关于不同车子CD改功放TDA7850.各个都说换完后音质有很大的提升。就又到某宝买了个TDA7850加几个电容跟前置运放IC 。
英朗车CD主机还是不错的,采用DSP解码,整体做工也不错,但是功放和运放就比较弱了,功放是TDA7562,这个功放是带总线控制的,没有完美替代方案。运放芯片是ST072和ST074,效果一般。运放替换方案为:ST072替换为opa2604au,ST074替换为opa4134ua。
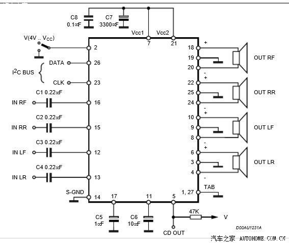
(友情提示:看不懂下面电路图或动手能力不强的朋友看看就好,改装有风险,入手需谨慎)


由于TDA7850跟TDA7562两种芯片管脚不同,不能直接替换,所以要错脚焊接。



先把TDA7562去掉。然后装上TD7850。然后TDA7850脚1,2,3,5,6,7,8,9,10,11,12,13,14,15,16,17,18,19,20,21,23,24对印线路板1,3,4,,6,7,8,9,10,11,12,13,14,15,16,17,18,19,20,21,22,24,25,焊上!(线路板23,26,27空着,不用!2脚焊一只10K的电阻!电阻另一端焊7850的4脚!



焊接完成后就可以接电测试了。。。。


这个时候喇叭就可以响出震撼的声音了
还好没有冒烟,

以迅雷的速度装上车子。。尼玛的,只听到几秒种喇叭冒出一声,碰。碰~~~~~
在工作台上面试了没问题的啊,回家赶紧翻资料,发现TDA7562是走CAN总线的,既这个IC没装CD机是不启动的,所以刚才装车没声音,失败是正常的。。
后来就想着有没办法解决。既然要CAN总线。那么我就保留TDA7562来让机子启动。接完线如下图,由于过程没拍照下来,下图用标示的方法表出来,懂电路的应该都能看的懂,



这杨就基本完成了。装上车子试了下,美妙的声音秒出啊,,低音震撼有力,声音清脆分明,真的跟原车不是差别一点半点的,难道是我的心里错觉吗,换个IC能有差多少??下图告诉你。我用换了TDA7850的板子跟没换的都接了上去听了对比,,确实差别明显,还有一个本来原车的CD我们声音音量都要开到20几吧,,这个改完TDA7850的板子只要开到8或9就可以达到正常听歌的音量~~·~如果在把喇叭换下那音质肯定更不用说了
其实这杨屌丝改法已经够了,低成本高音效,米多肯定换整套专业音响是吧。。。

左图为高配CD板子,,,右图为低配CD板子,,
路畅导航完美显示高配CD屏幕信息,在这里感谢一位江苏,镇江卖路畅导航的老板,人可好了,没有你的帮忙我这个显示没办法解决的。好人一个,免费提供给我方法》》
刚开始连SSSS得人都不搞不定啊,问了好多某宝买路畅的老板也都不理人啊,伤心,,
。
低配是这杨显示的,尼玛的通用真的很能简配啊~~~~

高配是这杨显示的,显示信息多很多啊,功能也多了些·~~

厦门海沧大桥,

愤怒模式。鸡血模式。。。写帖子真累啊。。。。
随便写写,表达的不是很清楚。谢谢狼友们的观赏。。。

caijianrong1980 2014/12/30 14:11:01 发表在 12楼
楼主,在11和17间接了一个10uf的电容,在17和14间按图纸应该接了一个1uf的贴片电容,这个电容去哪里找啊?我有多余的板子的,但贴片电容找哪个啊?没标示啊。还有在2和7之间接一个这个电阻也是100K的电阻吗?
英朗GT20111218 2014/12/30 00:29:18 发表在 6楼
赶紧把鸡血模式和那个中控表做教程…………
没法发教程了jaychen8473 2014/12/30 17:01:34 发表在 18楼
对红色仪表感兴趣,LZ一看就是学电子方面的!
柳州车友6094628 2014/12/30 21:28:10 发表在 24楼
兄弟动手能力太强了!我也更换高配CD,但是一直没有解决显示原车信息的问题,麻烦指教一下。谢谢啦!
|
|
