转发一个网上看到的10款座椅加热故障处理希望帮助需要的人
这辆新君越轿车为何座椅加热功能失效
故障描述:
一辆2010年产上海通用别克新君越2.4轿车,用户反映驾驶员座椅加热功能不起作用。
故障分析:
接车后,经试车,发现按压驾驶员座椅加热按钮后,系统在工作约3 min后,指示灯熄灭,电加热功能失效。首先连接故障诊断仪GDS对系统进行检测,设备显示系统内存储了“B2425-0D——驾驶员坐垫加热器电阻过大”的故障码。接车后,维修人员先对座椅加热坐垫进行了替换,试车故障依旧。之后,维修人员又对座椅靠垫进行了更换,试车故障依然存在。最后,维修人员更换了加热控制单元,但结果依然令人失望。至此,维修工作陷入僵局,笔者介入该车的维修。
分析该车座椅加热工作原理可知,当按下加热型座椅开关时,通过开关触点和加热型座椅开关信号电路向车身控制单元提供变化的参考电压,以指令加热座椅。车身控制单元作为网关,通过串行数据线路将该信息传送至后排座椅加热控制单元。为响应该信息,后排座椅加热控制单元通过元件电源电压电路向相应的座椅加热元件提供蓄电池正极电压。然后,后排座椅加热控制单元将串行数据信息发送回车身控制单元,以点亮或熄灭加热型座椅指示灯。系统通过每10 s检测1次输出座椅加热元件的电流与电压,座椅控制单元计算加热元件的电阻,当超过允许的最大电阻值时,将设置故障码,同时加热型功能被禁用。
故障描述:
一辆2010年产上海通用别克新君越2.4轿车,用户反映驾驶员座椅加热功能不起作用。
故障分析:
接车后,经试车,发现按压驾驶员座椅加热按钮后,系统在工作约3 min后,指示灯熄灭,电加热功能失效。首先连接故障诊断仪GDS对系统进行检测,设备显示系统内存储了“B2425-0D——驾驶员坐垫加热器电阻过大”的故障码。接车后,维修人员先对座椅加热坐垫进行了替换,试车故障依旧。之后,维修人员又对座椅靠垫进行了更换,试车故障依然存在。最后,维修人员更换了加热控制单元,但结果依然令人失望。至此,维修工作陷入僵局,笔者介入该车的维修。
分析该车座椅加热工作原理可知,当按下加热型座椅开关时,通过开关触点和加热型座椅开关信号电路向车身控制单元提供变化的参考电压,以指令加热座椅。车身控制单元作为网关,通过串行数据线路将该信息传送至后排座椅加热控制单元。为响应该信息,后排座椅加热控制单元通过元件电源电压电路向相应的座椅加热元件提供蓄电池正极电压。然后,后排座椅加热控制单元将串行数据信息发送回车身控制单元,以点亮或熄灭加热型座椅指示灯。系统通过每10 s检测1次输出座椅加热元件的电流与电压,座椅控制单元计算加热元件的电阻,当超过允许的最大电阻值时,将设置故障码,同时加热型功能被禁用。

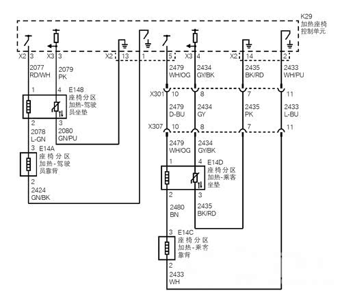
图1 座椅加热装置电路图
从故障码的含义上看,应该还是加热垫或线路故障的可能性更大,车身控制单元及开关等元件应该没有问题。利用万用表对坐垫加热垫进行电阻测量,仪表显示电阻均为约1.2 Ω,测量结果正常。对照电路图(图1),重新插上插头,与正常车辆对比测量K29控制单元插头处X2-3与X2-1间的电阻(加热垫总电阻),约为2.4 Ω,未见异常;温度控制端子X3-3与X2-13间的电阻为约11.36 kΩ,也正常。

图2 诊断仪显示参数
利用故障诊断仪GDS查看座椅加热数据,发现其温度传感器数值在1.8 V(图2中数值为刚打开)加热就会终止。前排乘客座椅工作正常,其温度传感器数值可到2.5 V左右(与正常车辆数值基本一致)。至此,可以判定该车的故障应该是线路故障。
故障解决:

图3 处理接脚
再次仔细检查所有线束插头及针脚,发现K29控制单元处X2-3和X2-1针脚处的开口稍微偏大,用细针调整2针脚(图3)后,故障消失。
回顾总结:
座椅加热控制单元通过温度传感器信号电路和位于坐垫中的温度传感器(热敏电阻)来监测座椅温度。温度传感器是一个可变电阻器,其电阻随着座椅温度的变化而变化。当温度传感器电阻值向座椅加热控制单元发送信号指示座椅已经达到所需温度时,控制单元通过加热型座椅加热元件控制电路断开座椅加热元件的搭铁电路。该控制单元随后将循环断开和闭合加热元件控制电路,以保持所需温度。通过对该车故障的维修,再次提醒了我们,作为维修人员,不能只会替换零件,而是要掌握相关系统的控制原理,分析清楚故障产生的原因,然后去排除故障。只有不断地学习,才能积累更多的经验,从而使自己的技术水平不断提高。
分享到:
|
|