刚入手2012年新世嘉,整备记录
没车开,4.13从本地二手车商入手一台2012款红色世嘉手动档,外观内饰还可以,就是公里数有点大,11万8000多公里。
6.26日更新:
由于感觉底盘不好,618下单了全车4支淅川减震芯,三角臂和后桥胶套,左半轴油封,附件皮带涨紧轮单轮和惰轮,总共700出头。
6.26日更新:
由于感觉底盘不好,618下单了全车4支淅川减震芯,三角臂和后桥胶套,左半轴油封,附件皮带涨紧轮单轮和惰轮,总共700出头。

6月21日自家亲戚的店里更换了四支减震芯,由于涨紧轮的轮子太紧(盖茨的),拆滑牙了,只能发一个新的。换左侧减震芯时,动了半轴,把变速箱油几乎漏光了。因为拆三角臂要用专用工具,所以只能先装回去。
6月23日去汽修店,换了两只三角臂胶套(工时150),半轴油封(自备的油封+2升齿轮油+工时)和清冷凝器并加一瓶300g制冷剂。总共收了350元。

换新后

后桥胶套店主没有专用工具,先不换。开了两天感觉暂时影响不大。
比较尴尬的是,加完制冷剂,用压缩空气吹了冷凝器,仍然制冷效果不好,原因是电子扇只有低速。(店主说空调高压已经很高了,不能再加冷剂了,电路问题建议去专修汽车空调的店解决问题)
当时猛踩油门,空调低压7-8bar,高压18-20bar,明显均已超过正常范围,但电子扇仍然只低速运行。车内最低出风温度14度左右。最近河南动则40多度的桑拿天,车内空调效果仅聊胜于无

心有不甘的我自己查故障,又苦于没有工具。
首先怀疑电子扇电阻问题,即拆下测量,发现是好的。
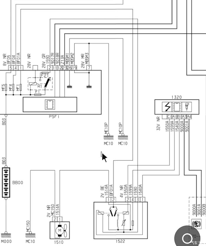
网上找了世嘉的电路图,只剩下空调压力传感器,线路,和行车电脑ECU这三个可能了,找了跟线直接接通高速开关,这个问题慢慢来吧。

电子扇电阻高低速开关

没符号解释看电路有点难,查了很久才看个半懂

方向盘的屏幕我查了很久才知道是中间屏移过去的,后来改了中控大屏,小屏就用不到了也不亮了。
加油200元开了300公里(油价8.4元),效区开得多。
目前有些小问题:
1:底盘咯噔异响,经检查左平衡小拉杆球头间隙过大引起。已自己更换,自家叔的店里弄的,新换的忘了拍照


拉杆上端球头漏油后粘了一层泥垢,晃动有明显的咯噔声音。
2:ABS灯超过40公里时速就亮灯,OBD电脑检测为左前轮传感器数据不可信,临时故障代码C1321,用电气清洁剂清洗,压缩空气吹干后正常。修的时候我在旁边看着。
3:主驾控制左后升窗器按键,好像被胶粘死不能用了。已处理2022.5.2

哪位大神修理过的,真是人美心善。因为把塑料卡爪拆断,就用胶水粘住了,同时也把左后窗,锁窗,右后视镜转换键粘死了。
4:主驾无法控制右侧外后视镜。同上
5:副驾侧喇叭爆音,门内饰板有异响。已处理2022.5.2

拆开门板,一束线在喇叭附近垂着,未扣入固定卡

喇叭附近的固定胶带已老化,散开

纸胶带固定
6:行驶中右后座椅咯吱咯吱异响。未处理
7:行驶中有多余弹跳,估计减震芯有问题。未处理

前减震芯

换新后

后减震芯防尘套是不是应该在上面?掉下来了,不知道原来是怎么固定的
8:底盘前后胶套均老化开裂,如下图。后续换新了更新

右前支臂近端胶套

右下支臂远端胶套

左下支臂近端胶套

左下支臂远端胶套

后车架右侧胶套,这个大的如果没专用工具不好换。

还剩一点橡胶连着

后车架左侧胶套
9:变速箱左半轴油封渗油。6月23已在汽修店换新并重新加齿轮油2L,未拍照

快要滴下来了
,要是自动档就必须尽快更换油封并且换变速箱油了
,要是自动档就必须尽快更换油封并且换变速箱油了10:正时皮带不知道前任车主换了没,发动机声音略微大。发电机皮带看起来像新的,但是涨紧轮和惰轮没换,磨出明显凹槽了。这项是大工程,准备去汽修店换,换下来会肉疼
。惰轮和涨紧轮6.21日已换,费用215元

涨紧轮已经磨凹凸不平了,难怪运行时声音大



新的惰轮骨架略薄
正时皮带扒开罩子看到了一点点,感觉还能开一段时间,6月20日已经买了新的放冰箱了。年底什么时候有空换了。

11:大灯上半部发黄龟裂严重,已翻新

在室外喷的,有风,粘上了灰尘颗粒,不细看不明显,比之前透亮多了。
12:雨刮器橡胶条一段裂开了,已经换新。雨刮器臂生锈很厉害,砂纸打磨后喷了点自喷漆。

本来想把雨刮臂拆下来搞,结果锈死了,怕敲坏,又没有拉码,只能在车上作业了。
最后晒张屁股照

[ 本帖最后由 Yancy2468 于 2022-06-27 19:43:58
编辑 ]
分享到:
|
|