转载:详解VOLVO发动机自动启动/停止系统(自 精通维修下载)
我加了主图更直观了解s60l自动启停系统,希望对车友有帮助,若有不妥,请版主删帖。

随着汽车工业的发展,汽车节能和环境保护方面的问题越来越受到重视,作为节能环保方面的先行者,VOLVO汽车近年来已引入发动机自动起动/停止系统,该系统旨在降低燃油消耗,继而有助于减少废气排放,也是VOLVO近年来一直在推广的DRIVe项目之一。发动机自动起动/停止系统是指车辆在行驶过程中,遇到临时停车或车辆完全静止后,发动机将自动停止运转;之后再次行驶前发动机将自动起动。为使同行和汽车使用者更好地了解和使用该系统,从而能更快地对此新系统进行检测维修,本文对发动机自动起动/停止的原理、系统起作用的条件、使用问题及可能原因进行了详细阐述。
一、汽车发动机自动起动/停止的基本原理
(一)概述
汽车发动机自动起动/停止系统设计用于比如交通拥堵或者在遇到红绿灯时,车辆在行车期间停止,或将排挡杆切换为空挡,该系统会自动停止发动机;然后,直至再次踩下离合器踏板时,发动机将在自动停止(等待模式)下重新起动(自动起动),之后,只需接合挡位,继续行程即可。在配备自动变速器的车辆中,发动机会在踩下制动踏板时停止,在放开制动踏板时重新起动。
在自动停止期间,汽车中所有常见的系统,例如,车灯、收音机等正常工作,但也有某些设备性能可能临时下降,例如,气候控制系统的风扇或者声音系统的音量。
DRIVe按钮(如图1)位于通道式控制台中,表示车辆具有发动机自动起动/停止功能。在使用钥匙起动发动机时,系统自动起动,驾驶员可在DRIVe按钮的绿灯亮起时注意到这点。在某些情况下,可能需要临时解除发动机自动起动/停止功能,这可通过按DRIVe按钮关闭发动机自动起动/停止功能。直至使用按钮再次起动,或者直至下一次使用钥匙起动发动机。

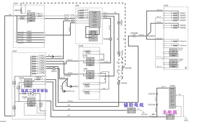
涉及系统模块有:发动机控制模块(ECM)、中央电子模块((CEM),驾驶员信息模块(DIM)、制动控制模块(BCM),信息娱乐控制模块(ICM)、气候径制模块(CCM)、安全辅助系统模块(SRS)、燃烧预热器模块(CPM)、动力转向控制模块(PSCM)、方向盘角度传感器模块(SAS)、拖车模块(TRM),驻车制动模块(PBM)。
发动机自动起动/停止系统也包含下列组件:主蓄电池及主蓄电池继电器、带辅助蓄电池继电器的辅助蓄电池、起动机、主蓄电池保险丝盒及保险丝和蓄电池二极体、蓄电池监控模块(BMS)、电动油泵(EOP)、电动驻车制动(EPB)。
(二)发动机自动起动/停止工作原理 发动机自动起动/停止工作原理如图2所示。

1.发动机正常起动时(使用钥匙起动),如图3所示。

(2)辅助蓄电池1没有连
(3)主蓄电池继电器4没有起且处于正常位置(闭合)。
(4)车辆由主蓄电池6供电。
(5)起动机的电磁阀开启,起动机起动。
(6)蓄电池二极体3在该模式没有履行任何功能。
2.点火开关接通,发动机正常运转时,如图4所示。

(2)辅助蓄电池1没有连接。
(3)主蓄电池继电器4没有起动,且处于正常位置(闭合)。
(4)车辆由主蓄电池6供电。
(5)起动机没有起动,且起动机继电器5处于正常位置(触点打开)。
(6)蓄电池二极体3在该模式没有履行任何功能。
3.发动机自动停止。
点火开关置于ON,驾驶员停车时,例如,遇到了红灯,踩下离合器踏板,排挡杆切换为空挡,并松开了离合器踏板,系统会请求发动机自动停止。系统工作如图5所示。

(2)辅助蓄电池继电器2没有起动,且处于正常位置(打开)。
(3)主蓄电池继电器4没有起动,且处于正常位置(闭合)。
4.发动机自动起动。
如当驾驶员要前进时,踩下离合器踏板,排挡杆接合1个挡位,并松开离合器踏板。系统请求发动机自动起动。如图6所示。

(2)辅助蓄电池1已连接。
(3)主蓄电池继电器4起动,且触点打开。现在只有起动机的回路连接至主蓄电池。
(4)车辆由辅助蓄电池1供电。
(5)起动机继电器5起动,且触点闭合。起动机的电磁阀开启,起动机起动。
(6)蓄电池二极体3在该模式没有履行任何功能。
(7)在发动机起动后,继电器返回正常位置。
如果辅助蓄电池要求充电,辅助蓄电池继电器2继续起动一段时间(辅助蓄电池只在自动起动时临时连接供电给车辆用电系统,以减少起动时车辆用电系统电压波动)。
5.在辅助蓄电池的供电发生故障时自动起动,如图7所示。

(2)没有连接辅助蓄电池1。回路中的故障表明,辅助蓄电池无法向车辆的其它耗电装置供电。
(3)主蓄电池继电器4起动,且触点打开。现在,只有起动机马达的回路连接至主蓄电池。在主蓄电池回路与车辆其它耗电装置之间通过蓄电池二极体3的电压差增加超过10.4 V时(在20℃),蓄电池二极体导通,且在自动起动过程中向车辆的其它耗电装置供电。
(4)车辆由主蓄电池6供电。
(5)起动机继电器5起动,且触点闭合。起动机起动。起动机的电磁阀开启,且起动机起动。
(6)在发动机起动后,继电器返回正常位置。
这可能在短时间(大约300ms)使电气系统产生1个很大的电压降,并可能导致车灯等闪烁。
二、发动机自动起动/停止条件
(一)基本条件
1.车外温度介于0~+30℃之间。
2.发动机处于正常工作温度。
3.发动机室温度正常。
4.主蓄电池已充电。
5.主蓄电池温度介于0~+55℃之间。
6.蓄电池监测传感器计算主蓄电池的状态(计算可靠)。
7.辅助蓄电池已充电(正常电极电压)。
8.在前一次自动停止时,辅助蓄电池的平均电压高于10AV。
9.车辆中的混合控制模块在发动机自动起动/停止功能的零部件或系统上没有侦测到任何故障。
10.挡风玻璃无起雾风险。
11.车辆设定为正常模式(非运动模式)。
12.制动真空助力器中的真空度(气压)正常。
13.乘客车厢中的加热或致冷需求在正常范围。
14.每次自动停止后,车辆必须首先达到5、 km/h的速度,才可以在下次停车时起动该功能。
(二)可能受驾驶员影响的条件:
1.驾驶员必须扣上了安全带。
2.驾驶员侧车门未关闭或曾开关。
3.气候控制系统的风扇转速过快(电流太大)。
4.车辆必须完全静止。
5.挡位处于空挡位置(仅限配备手动变速器的车辆)。
6.离合器踏板已完全释放(需踩下并松开离合器踏板,仅限配备手动变速器的车辆)。
7.如果接合了倒挡,则不允许执行此功能。在车辆倒车后,必须以超过5 km/h的速度向前行驶,才可能起动此功能。
(三)系统自动请求发动机自动起动条件
1.车辆中的电流或功率消耗过高,例如,车辆开启了许多耗电装置。
2.发动机或自动变速器的工作温度过高或过低。
3.主蓄电池充电状态下降过于缓慢。
4.主蓄电池电压下降过于缓慢。
5.主蓄电池温度降至或超过0~+55℃。
6.蓄电池监测传感器没有正确计算主蓄电池的状态(计算不再可靠)。
7.辅助蓄电池电压下降过于缓漫。
8.反复踩松制动踏板,以降低制动真空助力器中的真空度。
9.车辆中的混合控制模块在自动起动/停止功能的零部件或系统上侦测到故障(储存的DTC) 。
10.如果挡风玻璃有起雾的机率,恒温控制模块(CCM)可以要求起动发动机。
11.气候控制模块的风机运行过快(电流太高)。
12.乘客车厢中的冷却需求很高。
13.车辆开始以超过4 km/h的速度移动。
备注:系统请求的重起只能在排挡杆处于空挡位置时发生。如果排挡杆不在空挡位,会通过驾驶员信息模块(DIM)中的文字讯息,要求在空挡接合排挡杆。
(四)驾驶员以下动作将自动重起发动机
1.驾驶员踩下离合器踏板,排挡杆接合1个挡位,并松开离合器踏板。
2.驾驶员踩下油门踏板。
三、阻止发动机自动停止的可能原因
(一)蓄电池监控
1.主蓄电池中的电压太低。
2.主蓄电池的充电水准太低。
3.冷起动期间,主蓄电池容量过低。
4.辅助蓄电池中的电压太低。
5.辅助蓄电池中的平均电压太低。
6.蓄电池温度过低或过高。
7.计算蓄电池状态的可靠性。
8.车辆设定为运动模式。
9.蓄电池监测传感器的DTC。
10.交流发电机的DTC。
(二)气候系统
1.气候控制系统的风机运转得太快(电流过高)。
2.气候控制模块(CCM)使用来自湿度传感器的信号计算挡风玻璃有起雾的风险。
3.发动机冷却液温度相对车外温度过低。
(三)制动真空
助力器中的压力错误或真空度过低。
(四)发动机管理系统
1.车外温度低于0℃。
2.发动机温度超过100℃。在高温下,如果在几乎没有任何冷却的情况下,发动机突然关闭,可能发生热损害。
3.计算的发动机冷却液温度过高。发动机冷却液温度由发动机控制模块(ECM)利用车速、发动机转速和发动机扭矩计算。
4.车辆前倾大于14%。倾角由发动机控制模块(ECM)以驻车制动模块(PBM)的信号计算。
5.踏板位置。
6.车辆速度。
7.ABS/DSTC相关组件/功能的故障信号。
(五)冷却液温度
1.根据发动机温度,在发动机起动后,其需要运行一段时间,才允许自动停止。在起动后其需要运行的时间取决于发动机温度。例如,在+40℃,发动机必须至少运转2s以上。
2.发动机冷却液温度低于+20℃。
(六)起动机过热。
(七)发动机冷却风扇,在有可能是冷却风扇在停机中会转动而分载蓄电池电力时阻塞停止。
结束语
随着汽车工业的发展,汽车保有量的提高,汽车节能减排技术将提升到前所未有的高度,也将是可持续发展的永恒课题。机动车节能减排的各种技术都将会被越来越广范地应用,应用发动机自动起动/停止的车辆也将越来越多,因此相关人员对这方面技术的掌握也显得尤为重要。
自动启停时重要条件之一是电瓶电压不能低于一个阈值,负极桩头上的电量检测装置判断电瓶电压高低;
另一个是发电机输出的功和电瓶电压的关系(电压满足要求、发电机不对电瓶大量充电);
现在沃尔沃的发电机是lin总线控制,发电机的工作状态(发电量的大小、电瓶储电量、电压高低)实时与车辆ECU通讯,ECU根据车辆环境温度、速度、负荷、节气门开度等参数对发电机受控工作。脱离lin总线控制,发电机也能发电(13.8v左右),但是系统会报警,电瓶充电警告灯会亮起。(刚出锅的图片
,拔掉发电机lin线,即调节器上的插头);
测量一下怠速状态电压,不开大灯及空调,正常情况应该在13v~14.8v(高得也有15.2v),说明充电正常。若低于12.5v,发电系统异常,检查维修;
熄火测量静态电瓶电压,电瓶状态良好的情况下,静态电压应该是缓慢下降,从开始的13v多下降至12.5v左右。若快速下降至12v以下,说明电瓶容量衰减过大(一充就满、一放就没),检查更换电瓶。
还有就是检查右侧雨刷盖板下的辅助启动电瓶,这个电瓶电压、容量也会直接影响自动启停。
|
|
