热门
307历年车型对比(二)保险丝盒 车身电脑
1 24 发布于 2020-02-16 21:40:42 只看楼主 热门标准
点击查看热门标准,热门算法维度通过账号健康度、浏览、评论、点赞、收藏、转发、反作弊等进行综合评判
修改帖子
发动机舱保险丝盒    备件号随出厂日期不断变大
BSM-B2
BSM-B3    06款前小嘴307     备件号  9657608780
BSM-B4    06款前小嘴307     备件号  9650663980
BSM-B5    06款前小嘴307     备件号   9657608580
BSM-L11     06款改款保险丝盒   备件号   9661708280    
BSM-L04     06款改款保险丝盒  升级版    备件号  9664055580
BSM-R05    08款307大嘴   备件号 9666700480   
BSM-R05    11、12款307大嘴   备件号 9675879480
BSM-R20    13、14款307  备件号 9809742880 



T5VAN车型发动机舱保险丝盒


T5  小嘴307  VAN 网络车型   06款前

BM34  发动机舱保险丝盒     34路保险


BSM-B3、BSM-B5  


F16    二次进气泵


T5VAN智能控制盒系统BSI





  BSI J01  J02   9651196680




多路传输网络连接       可以看出多功能显示屏为VAN协议

T5CAN车型发动机舱保险丝盒


06改款小嘴307

BSM-L11

BSM-L04

F4   20A   大灯清洗(减配)

F9   10A -   应该是对应大灯随动转向  无此配置     
F14  30A - 应该是对应以前的二次空气泵  无此配置了

图里面的保险盒可能是老款的,和BSM-L11不一样,但保险丝功能是对的

F7  


T5CAN车型智能控制盒BSI







多路传输网络连接    导航大屏

T6车型发动机舱保险丝盒


BSM-R05

BSM-R05

BSM-R05   12款

BSM-R20

F4   20A   大灯清洗(无此配置)


F9   10A -   应该是对应车速传感器、倒车开关  无此配置     相应的AL4变速箱也没有车速传感器了。
F14 30A - 应该是对应以前的二次空气泵  无此配置了

F10说是氧传感器、电磁阀  F19、F20、F21实际没有描述清楚,包括12、13款都是这样写的


来看一下13款308的使用手册,保险盒面板是一样的,功能定义略有不同
F6  ABS控制单元、自动变速箱(旧款)      307是变速箱
F7  自动变速箱  AT8     307说明书是电子转向助力泵
F9功能不一样

F19 是氧传感器、电磁阀     我的12款307   实测是氧传感器、碳罐电磁阀
F21  是风扇总成继电器       我的12款307 也有
F20  是柴油发动机的ECU

408  的保险盒功能

408  的保险盒功能

个人认为  BSM-R05  BSM-R20 接口是一样的,部分定义不一样,可以通用。比如308使用F7控制自动变速箱,307使用F6,但F6、F7源头都是一样的通过一个R6继电器  受+APC附件电源控制

T6车型智能控制盒BSI


BSI04EV K05   备件号








多路传输网络连接  导航大屏
8480  ***话
7215   多功能屏

多路传输网络连接  不带大屏
8410  收音机
7215   多功能屏

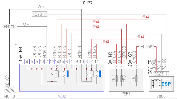
双密封继电器


7802 稳定性检查继电器   
7018    ABS防抱死制动系统控制单元继电器        
听说11年以后取消了
  和富康的喷油控制双密封继电器功能有点差别
STOP灯、手刹灯、ABS灯有时闪亮的 ,需要检查这个继电器 以及F6保险丝


富康的双密封继电器

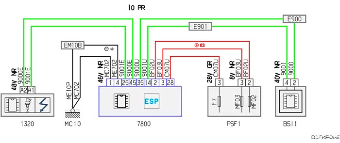
ESP   7802  

7802 稳定性检查继电器

7018    ABS防抱死制动系统控制单元继电器

7018    ABS防抱死制动系统控制单元继电器

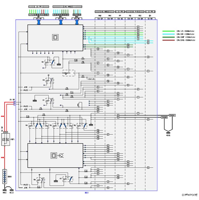
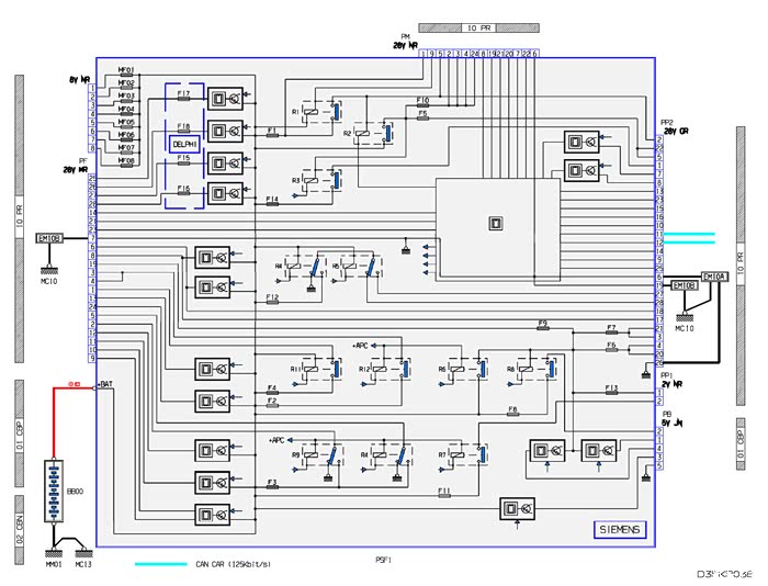
诊断和维修电路图(SEDRE)


307 T6 车型的电路图 估计只适合  09款以前的

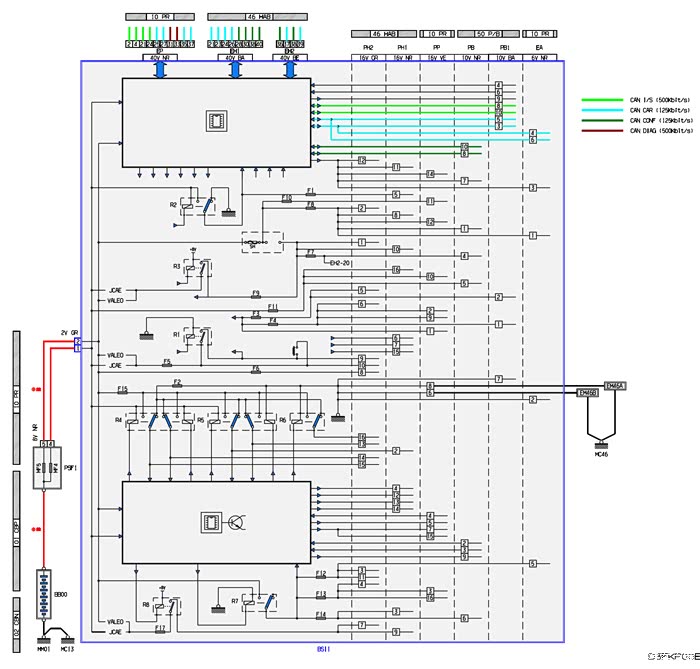
307  10款以后的电路图,参考308、408,能找到增加的部份电路,如PSF1  上的F19、F20、F21

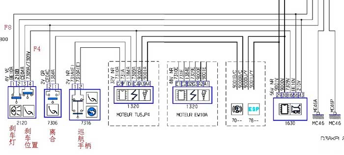
307  电路图查询 T6  定速巡航    有离合

308、408 电路图查询    定速巡航    无离合、有刹车灯  比

408  的发动机舱保险盒有 F19、F20、F21定义  和我12款的BSM-R05 一样 F4没有

后续更新。。。。。。

  • 用车感受
最后编辑于2020-02-20 18:16:15
很抱歉,该主帖尚未满足精华帖15张图片要求,不能予以精华,更多精华标准点击此处查看
修改主帖
内容系网友发布,涉及安全和抄袭问题属于网友个人行为,不代表汽车之家观点,可联系客服删除。
举报
IP
回复
共2页
1 2
20条/页 前往

更多> 精选帖子

更多> 精选视频

扫码下载
汽车之家APP

随时获取
最新汽车资讯