加入翼搏改装群不知不觉都1年多了,在这里,从一个懵懂的小白到了一个自认为还行的动手达人
,离不开群里大神们的教诲,这里先要感谢一下群里的A大(强哥),FLoyD168(佛爷),是你们不厌其烦的教会了我拆车,安装设备,让我更深入的了解翼搏,谢谢你们;还要感谢开拓者2006(拓哥),是你教会了我基本的行车安全事项,让我增强了安全意识,谢谢你;最要感谢ohysyang(欧阳兄),赞你一个,你是真心真意在帮助车友解决问题,谢谢!当然更要感谢我们的群主帅帅的小兽,是你把这些大神召集到了一起,让我,不,是让我们有了一个交流技术的平台,谢谢你!最后感谢群里每一位车友,大家都是因为翼搏,才天南海北的聚在一起的,我们是一个大家庭,有了你们,才有现在的翼搏改装俱乐部,谢谢你们!
貌似忘了把野哥也感谢一下,对对,还有元宝哥,刀哥,虎哥,几位哥哥对小弟帮助都很大,谢谢各位哥哥!
好了,废话说多了,转入正题,这次在 ohysyang(欧阳兄)的帮助下,我成功改装了原厂福特翼搏的自动大灯/雨感,其实,翼搏是有原厂大灯/雨感的,用的是福克斯的原厂模块,可以通过刷机的方式把功能刷出来,但是网上没有详细的介绍如何安装,所以下面我就详细的把改装过程分享给大家,希望可以帮助大家改装,少走一些弯路。
自动大灯/雨感模块图片


一. 大灯开关的改装步骤
拆下大灯开关的步骤:
1. 拆开左侧的三夹板

2,手伸进去,捏住大灯开关盒,往外推,看到我捏的地方了吗?

3. 拔掉连接线就可以了
大灯开关改装:
1. 反面5颗螺丝,T7

2. 卸开后面板,拿出来电路板

内部特征,注意两个金属拨片,拿下来收好

3, 用一字平头螺丝刀,挤压白色卡扣,取下开关


4,再用一字平头螺丝刀取下前面板,4个卡扣


5. 旋钮卡上面有两个卡扣,用手往外掰,就可以取下,小心两个弹簧(银色为弹簧)


6.一共有4个限位块,开启原厂大灯开关的话,只要切去位置标示为2的就可以了

切除后的效果

7. 下面按步骤反向安装回去,然后转到第四个开关上,刚刚好。

8. 刻字,这个只能看个人的爱好了,我手笨,就用美工刀刻了一个“A”

晚上上车后的效果

二. BCM的安装
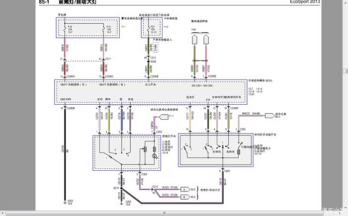
所谓的BCM就是车身控制系统,其实根据线路图查看,翼搏已经将自动大灯/雨感的功能线连接好了,这样就省去了布线,剩下的就是把自动大灯/雨感模块安装上即可。

首先介绍线束
三根线,一篮为端子线插入BCM,一红为正极线,一黑为负极线。
红线直接接F9,黑线搭铁,这里就不介绍了。

最重要的就是端子接BCM,下面听我慢慢道来。
先定位BCM模块位置,在手套箱后面,拉开手套箱,后面可以看到一个蓝色的排线和一个灰色的排线,我们的BCM就是下面这个灰色的

下面介绍一个简单拆卸的方法:用螺丝刀把手套箱下面这块板卸掉,把头伸进去看,你会豁然开朗,剩下的我不多说了,呵呵!

方法教会了,重点来了,模块端子的话应该插入BCM哪个插口,拔掉BCM的插头,注意我画红色圈圈的位置。

用excel画个图,直观一点:看红色标记

对,就是排线从下往上数第二个孔。
好了,插入位置也有了,下面就该介绍如何插入端子了。
把BCM插头翻过来,会看到一个白色的条状的东西,那个就是限制端子活动的盖子。
还是excel画个图,直观,黄色的条子就是代表白色的盖子。

用针延白色的边挑出来一点,因为没有办法完全挑开,只要能让自动大灯/雨感模块的端子插到底就行了,OK,将端子插入BCM相应的位置,记得插到底,然后把刚才挑出来的盖子压紧,最后将BCM插头插回去即可。
一切安装就绪了,把线布好,将模块固定在后视镜后面。
这里要重点介绍一下底座,私人定制,有意者可以私聊我

安装后的效果图

嗯嗯,还是不错的。
上车后的效果图

三.刷机
安装和布线结束,我们通过VCM刷机,将翼搏隐藏的雨感功能刷出来,这个是刷车之后的图片,雨感默认是打开的,可以设置为关闭。

四.测试与说明
1.大灯开关拨到“A”
2.雨刮开关拨到一档,原来调节快慢的旋钮,现在变成了调节灵敏度
先测试大灯,最好白天测试,白天的话可以把手捂住感应模块,大灯亮,把手拿开,大灯延迟熄灭,正常。
再测试雨感,对着模块上面喷点水,雨刮开始工作,使劲对着模块喷,雨刮会不停的工作,正常。
测试一切正常。
说明:大灯感应会分辨太阳光和灯光,所以晚上即使在灯光通明的地方,大灯依然亮;阴天白天亮度不够,大灯也会亮,可以选择关闭;
雨感,是电子LED管感应,会分辨雨水流动和雨滴的分布情况来达到雨刮工作。
好了以上就是自动大灯/雨感模块的安装经过,有什么不懂的问题,可以跟帖私聊。
最后为我们翼搏改装群打个小小的广告,
欢迎全国的翼搏车友加入小兽的改装群,一起为打造与众不同的小搏畅所欲言,翼搏改装,endless!
已经成为习惯的惯例(就是个病句),附上结束的图片:

斌哥和雨版,可以射个精吗?
游客
扫码下载
汽车之家APP
随时获取
最新汽车资讯