热门
3年我的大嘴翼博改装合集,多图慎入
1 163 发布于 2017-05-06 09:56:54 只看楼主 热门标准
点击查看热门标准,热门算法维度通过账号健康度、浏览、评论、点赞、收藏、转发、反作弊等进行综合评判
修改帖子
入手翼博已有三年,这车的性价比还行,不过小缺点也不少,尤其是车灯。三年来陆陆续续买了不少改装品,拆了装,装了又拆,也走了不少弯路。对于改装我一直坚持忠于原车配置,尽量不破坏原车结构以及部件,线路也采用原车插头取电,尽量不破坏原车线路。改装力求“不明显”,不破坏原车美感和内饰,线路遵循隐藏原则。说实在的,本人学航空器制造出身,另外还有点处女座情结,对车辆改装其实也是半路出家,那种专业的动力和悬挂还有刹车之类的改装会直接影响车辆安全,相互之间又有一定的匹配关系,盲目改装我表示心里没底。比如也想改进气和排气来提升动力,可是动力提升一来需要改进制动,另外动力的提升对发动机的散热和寿命也会带来影响,没有量化的改装资料,所以我并没有做这方面的尝试。另外我也想加装顶吧和车身稳定支架,但想到随意安装这些东西明显会改变车身固有结构特性,在碰撞时可能影响车身正常的吸能溃缩和发动机下沉,反而影响安全性,另外顶吧一般用于气动悬挂的车辆,对激烈的过弯有一定帮助,对于一辆suv来说其实就是个累赘,增加重量却并没帮助过弯。
为了减少大家走弯路的可能特罗列以下现在正式使用并且好用的改装供大家参考。
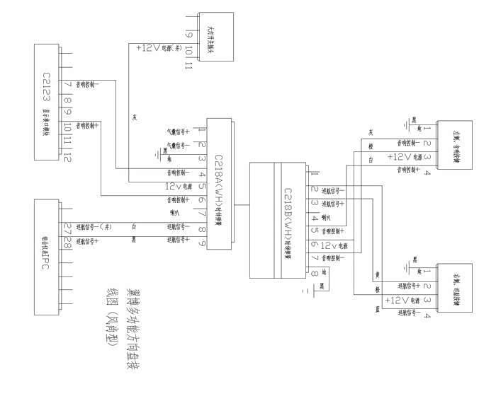
1.飞歌gs6翼博专用导航
2.亿车安9s全景倒车影像
3.海拉5透镜加欧司朗氙气大灯及安定
4.双色切换led雾灯灯泡(非多led灯泡总成)
5.汉雷led后雾灯及刹车灯
6.欧司朗t10牌照灯及车内阅读灯
7.利用led日行灯条改装的手套箱,后备箱及抽屉灯
8.60w后方向led探照灯(专治远光狗)
9.中网下方可拆卸爆闪开道灯
10.猛禽中网
11.加宽防蹭橡胶轮眉
12.后视镜下双向倒车辅助灯
13.小米空气净化器
14.360悟空2代行车记录仪
15.车窗晴雨条(夏天留缝防雨)
16.定速巡航
17.自制遥控开后备箱
18.头顶眼镜面板自制各类开关
19.led迎宾门槛条
20.硅胶门槽垫
21.车身3m反光防撞条
22.各类车身反光装饰贴纸(3m)
23.车身四角防蹭条
24.铁将军胎压监测
25.内饰喷漆贴膜
26.赛车款座椅套
27.金属踏板
28.丝圈脚垫
29.缝制方向盘套
30.贵万江雨刮臂搭配方头博世无骨雨刮
个别改装可能还有遗漏没有上图也没做记录,想到再发吧。
以上改装为合法内容改装,发动机、轮胎、进排气、悬挂、刹车类改装由于当地法律原因,暂时未做。
以上改装除了大灯和全景影像在专业改装店进行,其他都是本人自己动手做的改装,线路均采用航空标准线路施工,取电的所有接头也采用泰科航空防水接头,且所有线路均已加装过流保险丝。改线改装建议到专业店进行,动手能力不强容易引发车身自燃,请各位三思。

改装完成,力求线路不外露,整洁

驾驶台效果图

雾灯恶魔眼日行灯


黄光模式雾灯

白光模式雾灯

防蹭轮眉胶条粘猛禽唇口

爆闪开道灯

各类反光帖纸及LED探照灯

爆闪开启

后部LED开启

运动桌椅套,不影响安全气囊弹出



LED探照灯

手套箱灯

自制遥控开后备箱

全景加胎压监测

定速巡航

改氙气进行时

后探照灯

遥控开后备箱开关焊接完成

LED进门门槛

氙气大灯改装完毕

空气净化器开关

后备箱灯开关

后探照灯接线

手套箱灯开启

后备箱灯开关开启后天使眼亮起

轮眉及四角防蹭

爆闪加探照灯

全景影像加轨迹

自改装赛车开关和天使眼开关

抽屉灯

小米空气净化器

双向倒车辅助灯

大灯改装

倒车辅助灯开启后向下向后双向照射

自己用可撕油漆做的福音战士喷涂

飞歌GS6导航仪

后备箱照明采用光导条日行灯

定速巡航接线图纸

轮眉

各类开关

改装进行中

门槛条

发动机舱清洁

头顶开关改装完成

双向倒车辅助灯

改装定速巡航中

后备箱灯

侧视

导航仪手机支架搭配nfc贴纸和充电线。指南针和磁铁手机支架也很好用。

里程表

夜光门槽垫

夜光门碗

天窗吊挂纸巾盒方便所有位置的乘客拿取

副驾遮阳板多功能置物板

磁性手机座和长条形磁性理线底座

钢铁侠和妹子送的法斗摆件还有香水座,其实香水座不为了香,就是为了装逼,哈哈

战斗机弹射座椅贴纸还有防撞条

3M反光贴纸

3M防撞反光贴纸

某宝卖家的库存品,只剩50件,150一套,原价300多,翼博买的人少,卖家不生产了。卖完就彻底没了。

贵万江的雨刮臂和博世雨刮。

车头反光效果

车身侧面反光和防撞装饰

最后编辑于2017-05-08 17:58:00
很抱歉,该主帖尚未满足精华帖15张图片要求,不能予以精华,更多精华标准点击此处查看
修改主帖
内容系网友发布,涉及安全和抄袭问题属于网友个人行为,不代表汽车之家观点,可联系客服删除。
举报
IP
回复
共9页
1 23456 ... 9
20条/页 前往

更多> 精选帖子

更多> 精选视频

扫码下载
汽车之家APP

随时获取
最新汽车资讯