液冷系统散热效率分析
AION LX是广汽埃安品牌在2019年推出的首款纯电SUV,采用了590模组技术,整个电池系统的组成和布置如下图:
共计14个模组,每个模组由8个电芯构成,模组上布置有2个温度传感器,它的位置如下图所示:
AION LX的液冷系统选择的是当时比较主流的口琴管方案,整个冷板部件的设计如下图所示:
整个管路设计是由一侧进水,另一侧出水,每个模组的下方有8根并联的口琴管,从电芯到冷板之间的传热路径是:电芯-模组底部(绝缘贴膜,为无底板方案)-导热垫-冷板,如下所示。
由于采用的是口琴管,它这里采用了橡胶支撑结构,以保证口琴管与电芯表面有可靠、紧密的接触。
为了能够对整个系统的热管理效率进行分析,还需要将电芯的基本热性能确认,如下表所示,这里分析的是180Ah电芯的短续航版。
对整个电池包进行热仿真与测试验证的对比,如下图,可以看出,仿真与测试的结构基本一致,最高的温度出现在第8个模组M8的1号温度采样点NTC1为53.9℃,仿真与测试的最大温差为1.4℃。
有了这样一个仿真,便可以对电池包内各环节的产热、散热情况进行定量地探讨。从下图的产热-散热功率图能够看出:
整车热管理系统控制策略
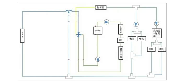
实际上,广汽新能源AION LX配置的热管理系统技术和控制策略,由部分基于特斯拉Model X的电驱动热管理控制系统的“大循环”-动力电池热管理系统“中循环”-驾驶舱热管理系统的“小循环”技术架构同时,与引入全新的热泵空调系统相结合的技术架构。在热泵空调系统作用下为电驱动系统、动力电池系统和驾驶舱,可以同时或分别提供夏天制冷和冬季制热伺服。
在非充电的低温环境启动工况,电驱动系统开始运行,驱动电机(行车)产生的热量通过冷却液为动力电池提供低温预热伺服同时,热泵空调向驾驶舱输出热量。
在低温环境充电时,车载热泵空调(引入充电桩电量)向动力电池或驾驶舱提供低温预热伺服,提升充电效率和用车舒适性。
在非充电的高温环境启动工况,电驱动系统和控制系统接收热泵空调输出的冷量进行强制散热(根据温度决定是否采用自燃冷却)伺服。
在高温环境充电时,车载热泵空调(引入充电桩电量)向动力电池或驾驶舱提供高温散热伺服,提升充电安全性和用车舒适性。
在引入热本空调同时,广汽新能源AION LX对电驱动系统及动力电池进行高温散热伺服,仍然需要水冷板模块对冷却液进行“冷量交换”。
黄色箭头:固定在防火墙的水冷板控制模块
红色箭头:从热本空调压缩机至水冷板控制模块的空调高压管路(将冷量输送至水冷板控制模块)
简单的说,基于特斯拉Model X的整车热管理控制策略,广汽新能源AION LX具备对电驱动和控制系统进行低温预热和高温散热(主动冷却和自燃冷却)能力,对动力电池热具备引入电驱动系统热量进行低功耗预热的功能。而标配的热泵空调系统,主要的优势在对包括电驱动、动力电池和驾驶舱热管理系统所需的热(冷)量低功耗伺服以及精准的分配能力。
广汽新能源AION LX的整车热管理系统,引入更多的“四通阀体”替代部分“三通阀体”,用来在三种循环系统中进行“开”“闭”动作,已达到精准控制冷却液流量、温度损失以及电子水泵电耗。











