热门
13思铭增加拨片换挡,也可能是最后对这辆车的改装了
1 13 发布于 2021-10-08 21:32:30 只看楼主 热门标准
点击查看热门标准,热门算法维度通过账号健康度、浏览、评论、点赞、收藏、转发、反作弊等进行综合评判
修改帖子

目录

首先说一下为啥要改拨片,其实也没啥动力本身对动力要求不高,而且思铭这个车动力在现在来讲就是加了拨片也一般,而且这个拨片在自动模式时候也不显示档位,只有在手动模式才显示档位。只是我的三幅方向盘有拨片功能,不想让他闲置就有点想改,但是觉得预算太高所以也就一直没行动,后来有个朋友有渠道拆了一个高配思域,觉得配件价格合适就把那个车的零件拆了回来,所以就改了,加上20年春节因疫情休息时间长也有时间就行动了。改拨片,需要高配发动机电脑,高配仪表,高配游丝,另外高配档位显示盖板。从机舱穿两根线到驾驶室,这个因为改定速巡航就想可能会改拨片已经预先穿好了。其他就是跟改定速一样拆方向盘,拆仪表,拆ecu电脑。自己改拨片切记原车ecu的b插头16号线一定要和新加的线拨片+并线不能直接替换原车线,否则切入s档过4000转,发动机故障灯会亮,然后加速无力抖动,但是重启会好。接诊断仪显示一四缸缺火。 

高配仪表

高配仪表

原车拆下的ecu电脑

拆下的原车电脑

高配电脑

高配满针游丝

满针游丝

满针游丝

高配档位指示盖板

高配档位指示盖板

ecu电脑插头端子,注意这个端子插头里面有两种,一大一小

ecu电脑插头端子,注意这个端子插头里面有两种,一大一小

ecu电脑插头端子,注意这个端子插头里面有两种,一大一小

ecu电脑插头端子,注意这个端子插头里面有两种,一大一小

装上s档盖板

拆完盖板有个灯泡






这个地方有个螺丝


拆装过程

原车盖子,准备开拆







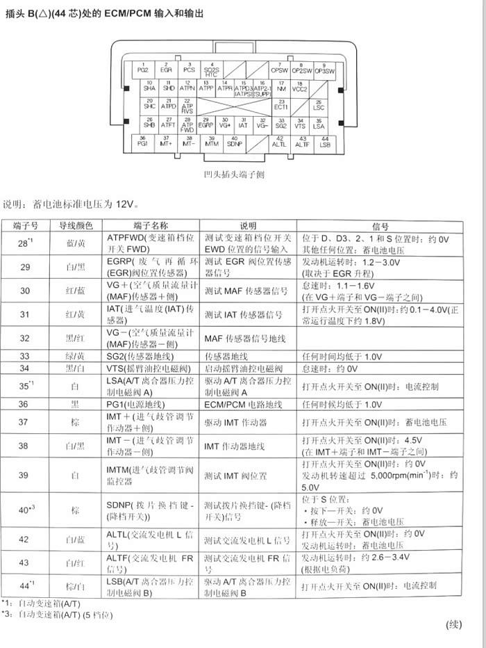
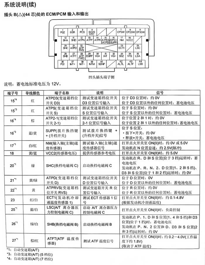
这个是拨片在ecu插头的上的定义











拆出来的上16号棕色端子,这个一定要和拨片+的线并线,开始我直接把这个端子拆除放一边,新加的拨片加线替换了,但是这个试车发现,在s档超过4000转会然后加速无力抖动,接诊断仪显示一四缸缺火 熄火重启好了,我查了好长一段时间,最后咨询哈密车友和广州车友都是并线到16好线,才确定必须保留原线路,新加的线并在原线路上就好了。

这是没并线16号线,s档过4000转显示的故障码


顺便改了油耗显示

拆下ecu的样子

增加的拨片 “加和减” 线

这个就是B插头

中间这两根上拨片加减线在按键插头位置

更换ecu电脑需要重新匹配防盗系统,这是更换防盗系统说明。4s店用的上本田hds软件,我没有,我用的上远征的技师盒子匹配的防盗系统。

更换防盗系统操作步骤。

这是技师盒子的更换防盗系统菜单图片






拨片档位指示也有了

油耗显示有了

拨片档位指示也有了



  • 装饰
最后编辑于2021-10-09 08:20:25
很抱歉,该主帖尚未满足精华帖15张图片要求,不能予以精华,更多精华标准点击此处查看
修改主帖
内容系网友发布,涉及安全和抄袭问题属于网友个人行为,不代表汽车之家观点,可联系客服删除。
举报
IP
回复
共1页
1
20条/页 前往

更多> 精选帖子

更多> 精选视频

扫码下载
汽车之家APP

随时获取
最新汽车资讯