前言:09款菱悦丐中丐版,原车2个可怜的同轴喇叭.
目前改动如下:
1.前门同轴喇叭换成6.5寸套装喇叭:高音头+6.5寸低音+分频器一对 价格220左右
2.后座没有喇叭,加了6.5寸同轴喇叭.价格几十块(低端...车才多少钱?)
3.后备箱放了一个低音炮,NBN868APR (200左右,要啥自行车)
4.四门贴止震板+吸音棉,剩余材料给后备箱里贴了一半(300左右)关上玻璃,外界环境噪音很小了.
导航主机是路特仕的图音系列TY6107,外观跟路特仕1907一样.
我觉得这主机挺好(la)用(ji)的.

趁过节放假有时间把导航主机功放改成TD7850
万能的X宝,材料如下,容我喝口茶,慢慢道来.

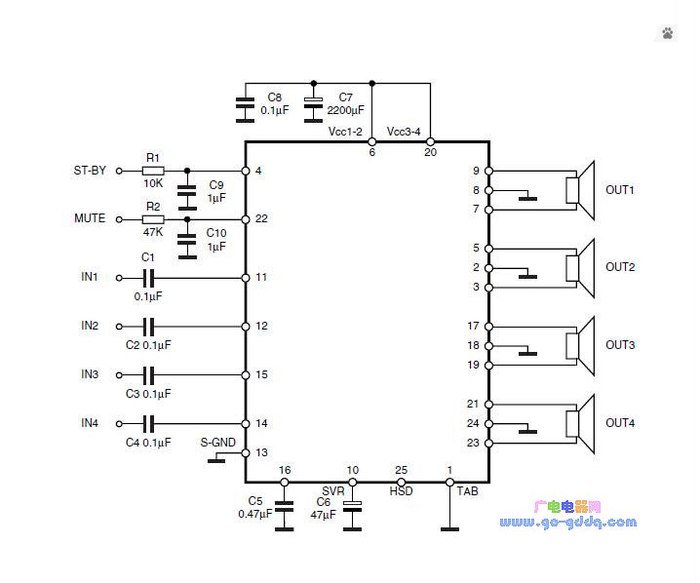
先盗一张图,TDA7850引脚定义...

然而,这并没有什么卵用,我也看不太懂,前辈的帖子有很多...照着做就是了.
右边4个OUT就是4路输出,有些主机的输出端会有对地电容,改7850的时候要取掉(我的没有对地电容)

拍摄环境光照不是很好,大家将就看啦.



















装车试机.
不吹也不黑,个人试听了十几分钟感受:在车辆静止的时候,低音和中高音不混在一起了.之前的人声总是几乎被低音盖住,现在并不会,音乐的细节丰富了一些,有些音乐能感觉到声音是从什么方向传过来的.低音也不像之前那么轰头了(其实并非重低音强就代表音质好).不知配上菱悦的原车喇叭效果会如何,我已经满足了.如果还要更好,就花钱换更好的喇叭做隔音吧!

爱车已经跑了5年了,镇楼!!
游客
扫码下载
汽车之家APP
随时获取
最新汽车资讯