关于加装原厂一键启动模块的问题,现整出部分资料。
1 81 发布于 2019-06-02 22:30:52 只看楼主 热门标准
点击查看热门标准,热门算法维度通过账号健康度、浏览、评论、点赞、收藏、转发、反作弊等进行综合评判
修改帖子
进入模块,防盗模块已经买了,还差拉手.天线.线束.转向柱等。
平时要上班,这些东西慢慢找,反正是大工程,也不急。
我现在手上的资料有限,也在慢慢摸索中,有的东西别人就算知道,可能也不愿意告你,最麻烦的就是线束,有人卖,但是价格太贵,威朗的配件价格已领先ABB。
.......... .......... .......... .......... .......... .......... ..........
最关键的针脚定义绝对不能错,先把部分资料放上来,也许能给他人参考一二。
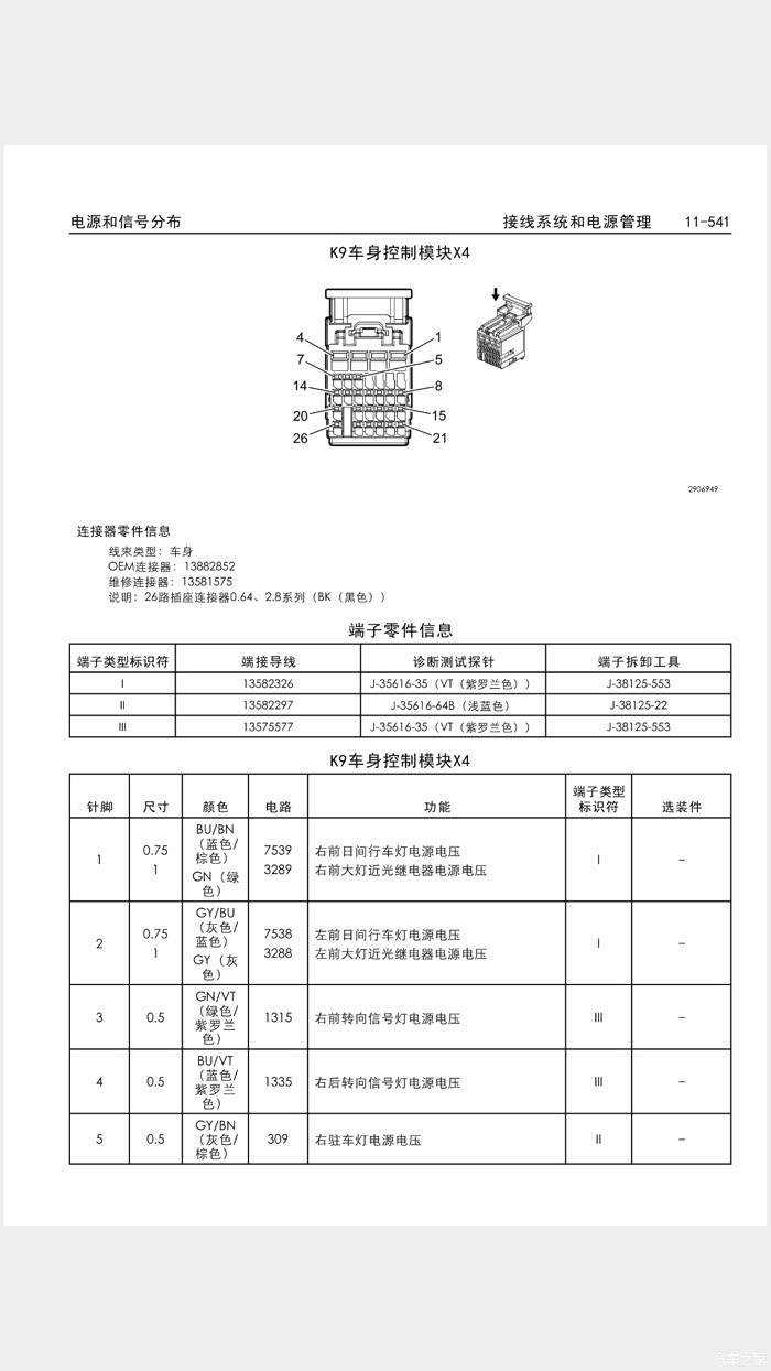
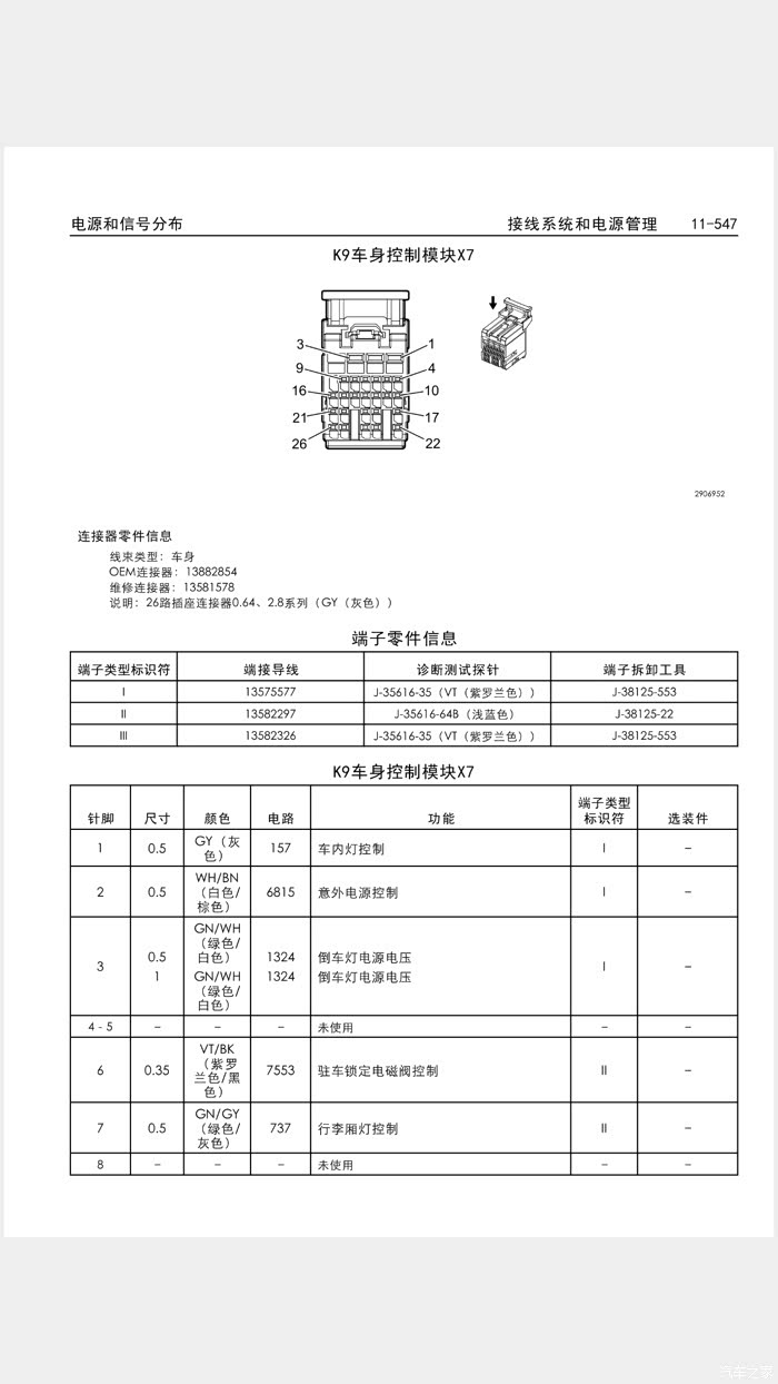
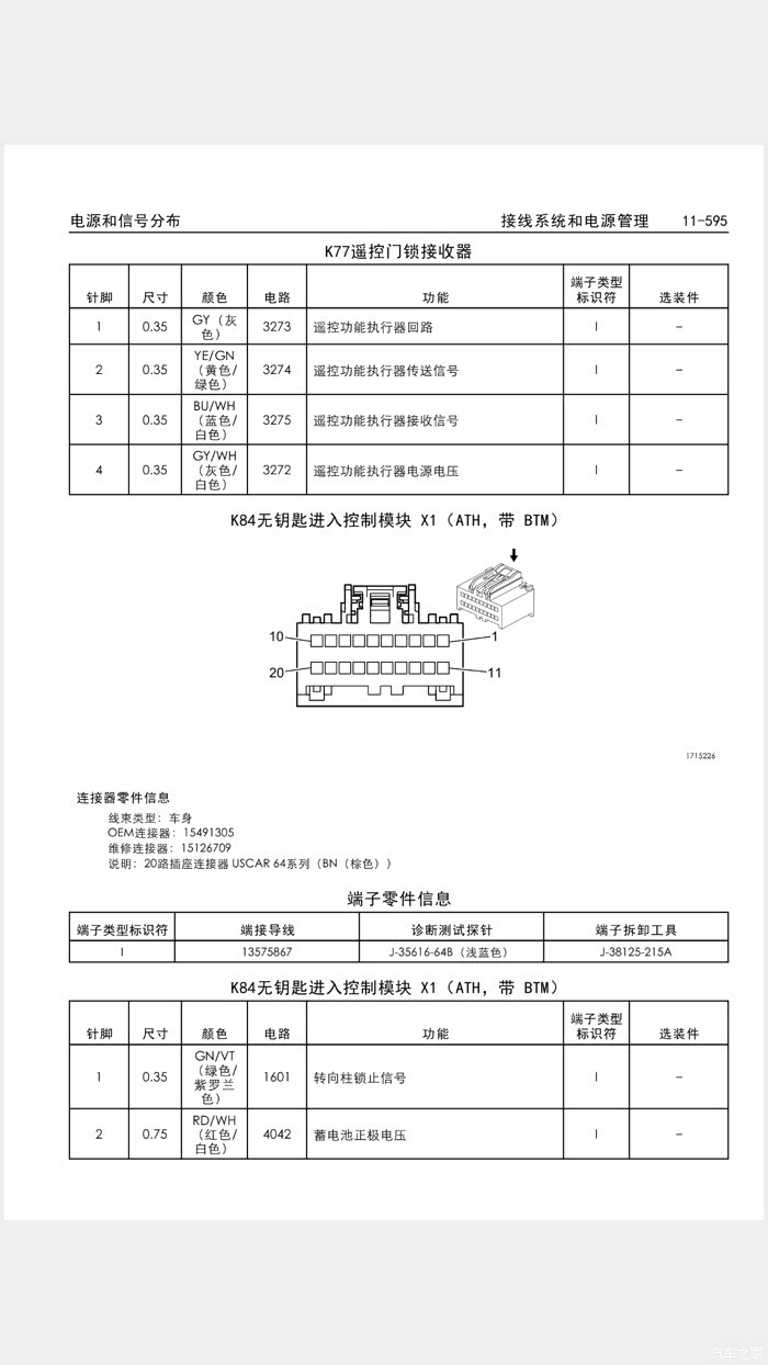
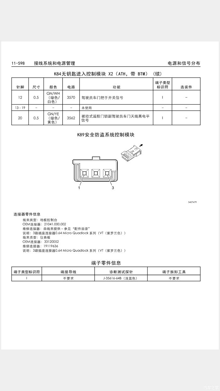
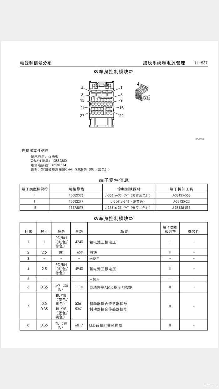
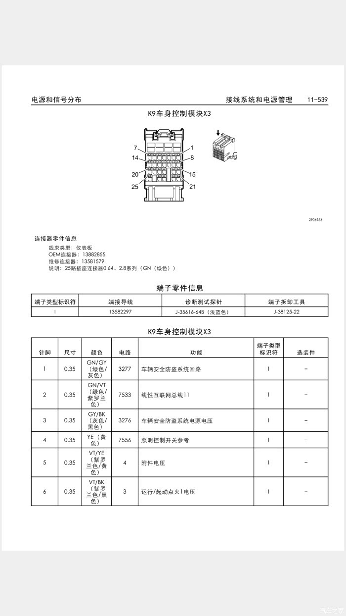
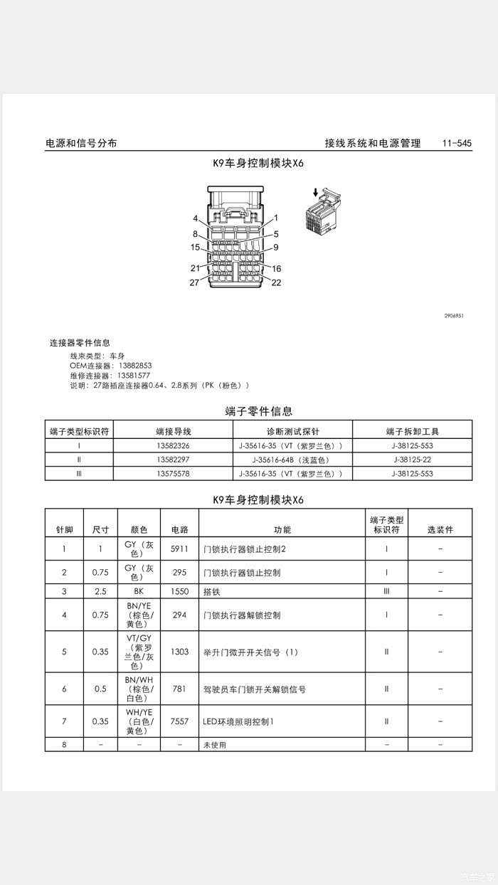
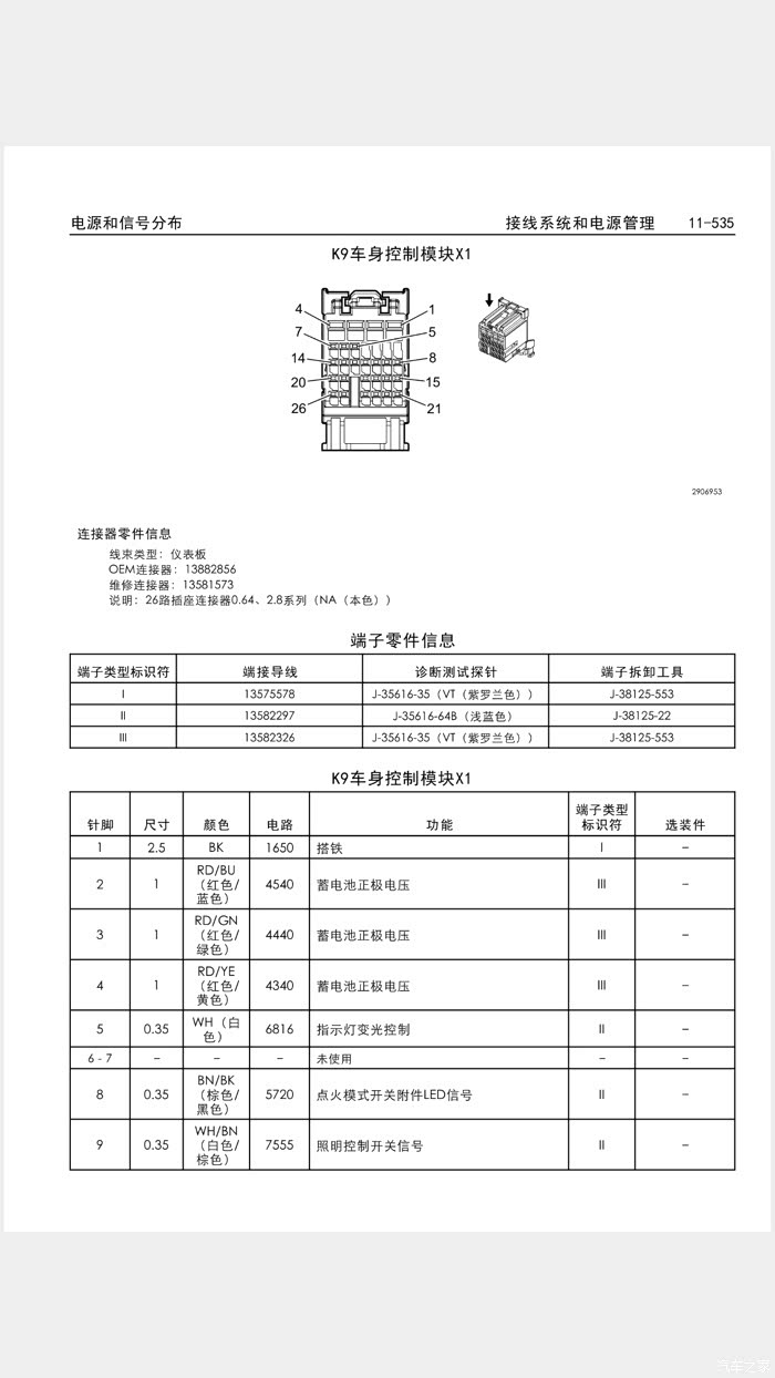
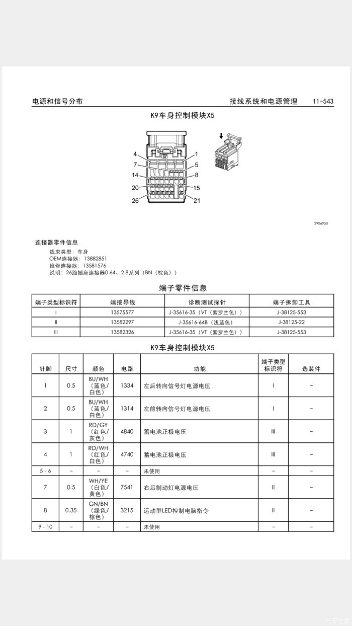
下面图中所写的K9车身控制模块就是BCM,K84就是进入模块。
有走在前面的朋友不妨留下宝贵经验。
有错误的地方请指正。

这个就是BCM,图是借来的,从下往上依次为X1到X7

这个就是k84进入模块

针脚,左侧应该用棕色插头,右边是灰色。














这几张就是bcm7个插头的定义,以及线色,线径,端子的信息。




这四张是进入模块针脚定义。

先这样吧!等有时间再看看。



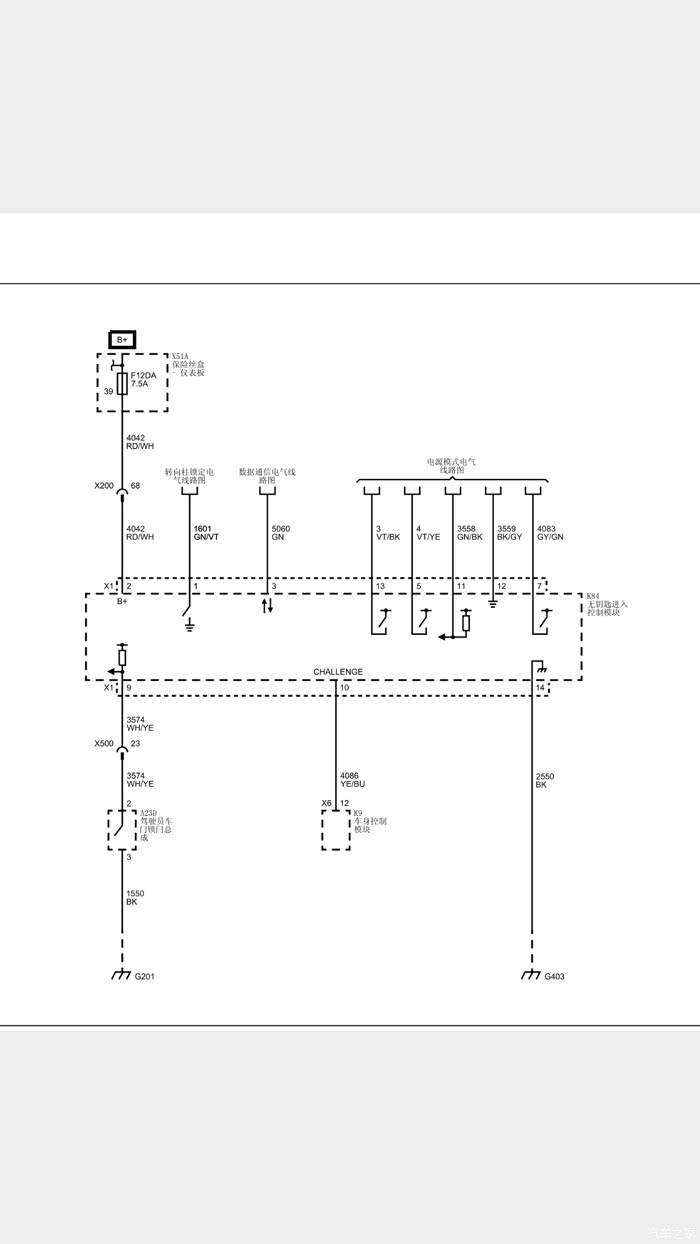
这几张也放一起吧

后面3张是关于进入模块与天线及拉手的接线,极性.线色.针脚号都标注了。

最后编辑于2019-06-03 22:09:05
很抱歉,该主帖尚未满足精华帖15张图片要求,不能予以精华,更多精华标准点击此处查看
修改主帖
内容系网友发布,涉及安全和抄袭问题属于网友个人行为,不代表汽车之家观点,可联系客服删除。
举报
IP
回复
共5页
1 234 5
20条/页 前往

更多> 精选帖子

更多> 精选视频

扫码下载
汽车之家APP

随时获取
最新汽车资讯