给我12347 2018/07/24 08:17:00 发表在 64楼
低配的少几个喇叭具体位置几个
澄海肥弟 2018/07/24 14:34:27 发表在 67楼
天呐你这个加装的过程可真是够详细的了,知道宋max用料扎实了
helungg 2018/07/25 12:37:14 发表在 69楼
原车带的不好听吗?
Raymondyun 2018/07/28 17:28:23 发表在 74楼
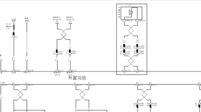
楼主可否私信清晰的功放电路图?
ctq1015 2018/07/29 02:40:39 发表在 75楼
私信不能发图片,你看这样子能清晰不?或者你用电脑端看
微笑的苹果宝贝 2018/07/29 13:55:33 发表在 77楼
你是个爱动手动脑的人,有时研究一下6座的中排座位能否改下
扫码下载 汽车之家APP
随时获取 最新汽车资讯