接保险盒? 还不如破线直接
沈阳devil 2014-7-11 10:49:34 发表在 板凳
左驾汽油发动机涡轮增压车型除外
anycalli608 2014-7-11 10:47:55 发表在 沙发
lycnt 2014/07/12 00:46:12 发表在 4楼
脱线不被脱保么?
小北湖的蚂蚱 2014-7-12 02:16:41 发表在 5楼
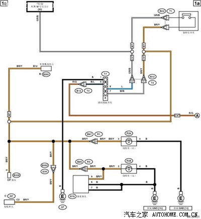
我是买来自己搞得,两个晚上搞定。自己安装的话注意拆倒车灯的时候是带点力向后拉灯罩。里面是卡槽固定的。另外注意合理布线,车到最后线长度不够啦
lycnt 2014/07/13 00:04:08 发表在 7楼
摄像头线如何进出尾门?上面铰链那里从哪里穿?做得到无损不?
maxiang132 2014/07/13 08:21:09 发表在 8楼
同问线怎么走
lycnt 2014-8-2 21:55:18 发表在 9楼
从右边软管穿入进乘员仓顶,另一端进尾门盖板,只有尾门盖板与软管之间露了约十厘米,不开尾门看不到,也不易进水,花几十元请人弄的,一个卡子也没坏,无任何损伤,刹车灯取电从接头处用细铜线插入孔中取的,同样无损可逆。
扫码下载 汽车之家APP
随时获取 最新汽车资讯