热门
安装直流充电桩取电器
1 21 发布于 福建 2023-08-14 09:22:49 只看楼主 热门标准
点击查看热门标准,热门算法维度通过账号健康度、浏览、评论、点赞、收藏、转发、反作弊等进行综合评判
修改帖子

一般房车都有市电220V充电插座,可接市电或交流充电桩充电。但现在慢充交流充电桩逐步被快充直流充电桩所替代,在公共停车场、充电站很难找到慢充的220V交流充电桩。
本车10度锂电+600W太阳能,一两天驻车用电一般没问题,长时间驻车就够呛。直流取电器上市好几年了比较成熟,也来一个折腾下。

一、房车直流取电器
将直流充电桩的300多伏直流电转换为AC220V交流电的装置,为房车提供AC220V充电电源。
这款房车直流取电器额定输出功率5kW,最大输出功率5.5kW,可兼容市面99%的直流充电桩,保护设置比较齐全。取电器面板简洁,前面板设有9孔直流充电插座和2个指示灯(充电枪插到位指示灯+充电桩与取电器连接成功指示灯)。可以用手机蓝牙连接取电器,显示充电电压、电流、功率、时间,还可以设置定时关机、充满自停。











二、接线与安装
便携使用灵活简单,一头插直流充电桩,另一头接房车市电插座即可;固定安装优点是不用拿来拿去,充电时不用人守着。


固定安装得小折腾下:
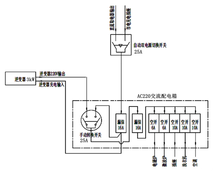
1、直流取电器的电气接线
加设一个双电源自动切换开关,作为市电和直流取电器电源的转换。市电AC220V输入和直流取电器AC220V输出分别接入双电源自动切换开关的“常用进线”和“备用进线”端,其输出接至交流配电箱,再配出至逆变充电一体机的充电端、220V家用电器。

市电或直流取电器220V输出可以随意接在双电源自动切换开关的“常用进线”或“备用进线”端。自动切换开关正常状态是“常用进线”接通、“备用进线“”断开,当“常用进线”停电失压,而备用进线有电时,将自动切换到“备用进线”。本接线将直流取电器220V输出作为常用电源进线


2、直流取电器安装
这款便携式直流取电器尺寸不大125*125*280(mm),固定安安装在左后侧靠近车尾储物箱内,这位置容易靠近充电桩,方便日后使用。


1)安装房车防水舱门,外形尺寸194*165(mm),开口尺寸144*115(mm),和直流取电器尺寸不是很吻合,但还行

铝面板箱体开口,切到铝方管骨架了

安装好的的舱门看起来不错



2)直流取电器和双电源自动切换开关安装在后备箱里。自动双电源切换开关装在盒子里,避免接线端子子裸露



3)拆下原车市电充电插座至逆变充电一体机的导线,将其改接至双电源自动切换开关;
双电源自动切换开关输出(负荷侧)接至交流配电箱




三、结尾
固定安装房车直流取电器,外观看起来比较美观,使用方便,充电时不用人守着。
有了直流取电器,多一个获取电能方式,可以给电池充电,也可以直接给AC220V家用电器供电,让出游有更多选择。在高速服务区、一些景点停车场等有直流充电桩地方,长时间驻车,用电不用愁。


直流取电器插座外观


  • 用车经验
最后编辑于2025-02-18 08:25:27
很抱歉,该主帖尚未满足精华帖15张图片要求,不能予以精华,更多精华标准点击此处查看
修改主帖
内容系网友发布,涉及安全和抄袭问题属于网友个人行为,不代表汽车之家观点,可联系客服删除。
举报
IP
回复
共2页
1 2
20条/页 前往

更多> 精选帖子

更多> 精选视频

扫码下载
汽车之家APP

随时获取
最新汽车资讯